Запчасти Komatsu PC15MRX-1 ОСНОВН. УПРАВЛ-Е (ОСНОВН. УПРАВЛЯЮЩ. КЛАПАН И СОЕДИНИТЕЛЬН. ЧАСТИ¤ /) (ДЛЯ КРОМЕ ЯПОН.) КАБИНА ОПЕРАТОРА И СИСТЕМА УПРАВЛЕНИЯ

Схема запчастей Komatsu PC15MRX-1 - ОСНОВН. УПРАВЛ-Е (ОСНОВН. УПРАВЛЯЮЩ. КЛАПАН И СОЕДИНИТЕЛЬН. ЧАСТИ¤ /) (ДЛЯ КРОМЕ ЯПОН.) КАБИНА ОПЕРАТОРА И СИСТЕМА УПРАВЛЕНИЯ
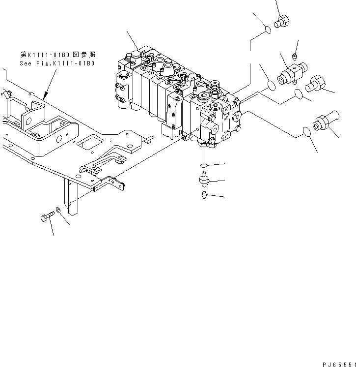
1
2
3
4
5
6
7
8
9
10
11
11
12
13
14
FIT
1:1
100%

Артикул

Название

Примечание

Количество

1

723-18-14302

CONTROL VALVE,MAIN CONTROL

2

01010-80820

BOLT

3

01643-30823

WASHER

4

22J-62-16241

TEE

5

07042-30108

PLUG

6

07002-12434

O-RING

7

07040-11812

PLUG

8

07002-11823

O-RING

9

07040-12412

PLUG

10

20M-62-82271

NIPPLE

11

07002-12434

O-RING

12

07235-50210

ELBOW

13

07042-30108

PLUG

14

07002-11423

O-RING

Выбрано товаров: 14