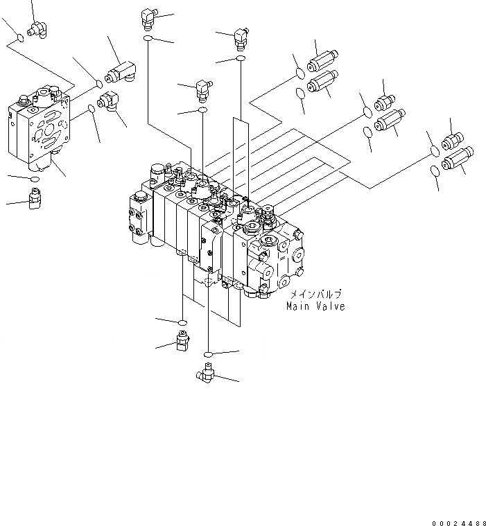
Запчасти Komatsu PC15MRX-1 ОСНОВН. УПРАВЛ-Е (ОСНОВН. УПРАВЛЯЮЩ. КЛАПАН И СОЕДИНИТЕЛЬН. ЧАСТИ¤ /) (WAY) (ДЛЯ КРОМЕ ЯПОН.) КАБИНА ОПЕРАТОРА И СИСТЕМА УПРАВЛЕНИЯ

Схема запчастей Komatsu PC15MRX-1 - ОСНОВН. УПРАВЛ-Е (ОСНОВН. УПРАВЛЯЮЩ. КЛАПАН И СОЕДИНИТЕЛЬН. ЧАСТИ¤ /) (WAY) (ДЛЯ КРОМЕ ЯПОН.) КАБИНА ОПЕРАТОРА И СИСТЕМА УПРАВЛЕНИЯ
1
1
2
2
3
4
5
5
5
6
7
7
7
7
7
7
8
8
8
9
10
11
12
12
13
14
15
16
16
16
16
FIT
1:1
100%

Артикул

Название

Примечание

Количество

1

07235-10210

ELBOW

2

07002-11423

O-RING

3

20M-62-48410

NIPPLE

4

20N-62-31270

NIPPLE

5

20M-62-32760

NIPPLE

6

20M-62-32730

NIPPLE

7

07002-11823

O-RING

8

21U-62-24110

ELBOW

9

723-11-00460

VALVE SUB ASS'Y

10

22J-973-1770

ELBOW

11

22J-973-1780

ELBOW

12

07002-11823

O-RING

13

21U-62-24110

ELBOW

14

07002-11423

O-RING

15

20C-62-32700

VALVE ASS'Y

15

20C-62-32720

ELBOW

15

21Y-62-11591

PLUG

15

20T-60-82320

POPPET

16

07002-11423

O-RING

Выбрано товаров: 19