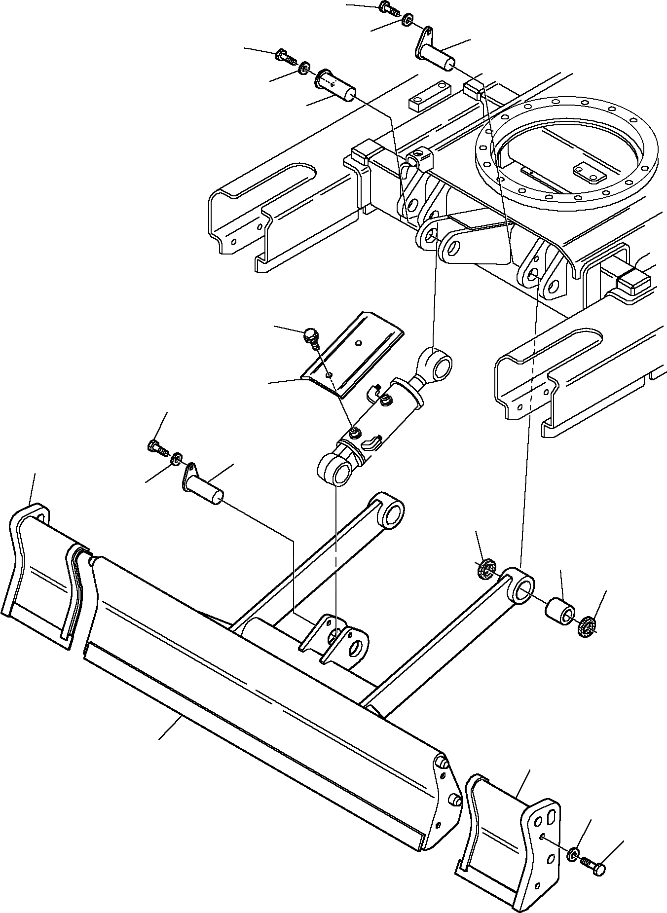
Запчасти Komatsu PC15R-8 DELUXE ОТВАЛ (РЕГУЛЯТОР НИЖН.CARRIAGE) РАБОЧЕЕ ОБОРУДОВАНИЕ

Схема запчастей Komatsu PC15R-8 DELUXE - ОТВАЛ (РЕГУЛЯТОР НИЖН.CARRIAGE) РАБОЧЕЕ ОБОРУДОВАНИЕ
9
10
13
9
10
8
12
11
9
8
5
10
7
6
7
1
2
4
3
FIT
1:1
100%

Артикул

Название

Примечание

Количество

\0

3F07A4051

BLADE, DOZER, ASSY.

1

3F07A4052

BLADE, DOZER

2

3F07A4054

EXTENSION, L.H.

3

801015187

BOLT

4

802170005

WASHER

5

3F07A4053

EXTENSION, R.H.

6

3F0589618

BUSHING

7

3F0589619

GASKET

8

3F05A6050

PIN

9

801015108

BOLT

10

802170002

WASHER

11

3F07A4606

PROTECTION

12

801085044

SCREW

13

3F0597057

PIN

Выбрано товаров: 14