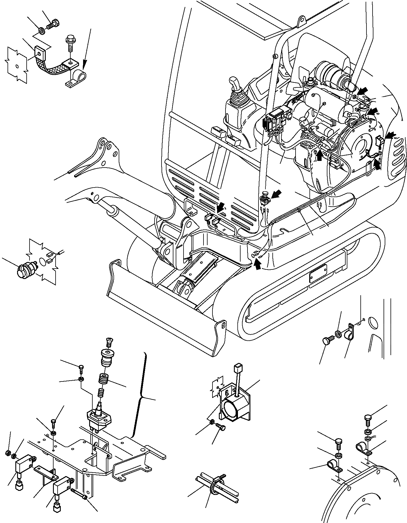
Запчасти Komatsu PC15R-8 DELUXE ЭЛЕКТРИКА (/) КОМПОНЕНТЫ ДВИГАТЕЛЯ И ЭЛЕКТРИКА

Схема запчастей Komatsu PC15R-8 DELUXE - ЭЛЕКТРИКА (/) КОМПОНЕНТЫ ДВИГАТЕЛЯ И ЭЛЕКТРИКА
5
6
8
10
A
a
b
c
e
d
f
g
g
c
c
b
e
d
a
f
15
1
2
16
17
3
6
13
4
5
23
14
12
13
11
9
14
6
22
5
21
25
6
24
7
19
1
18
19
20
FIT
1:1
100%

Артикул

Название

Примечание

Количество

1

885270555

WIRING HARNESS

2

885270553

WIRING HARNESS

3

885411196

ELECTRICAL SOCKET

4

802660034

COLLAR

5

801015108

BOLT

6

802170002

WASHER

7

802660501

COLLAR

8

802660500

HOSE-CLAMP

9

801015109

BOLT

10

885180012

HOSE-CLAMP

11

885080067

PUSH-BUTTON

12

885241028

CATCH

13

801015066

BOLT

14

802170000

WASHER

15

885411077

CABLE

16

885270653

WIRING

17

885180010

HOSE-CLAMP

18

3F0578073

SUPPORT

19

3F0578074

SWITCH

20

801105104

SCREW

21

802148003

WASHER

22

801703004

NUT

23

312612100

HORN

24

801015086

BOLT

25

802170001

SPRING WASHER

Выбрано товаров: 25