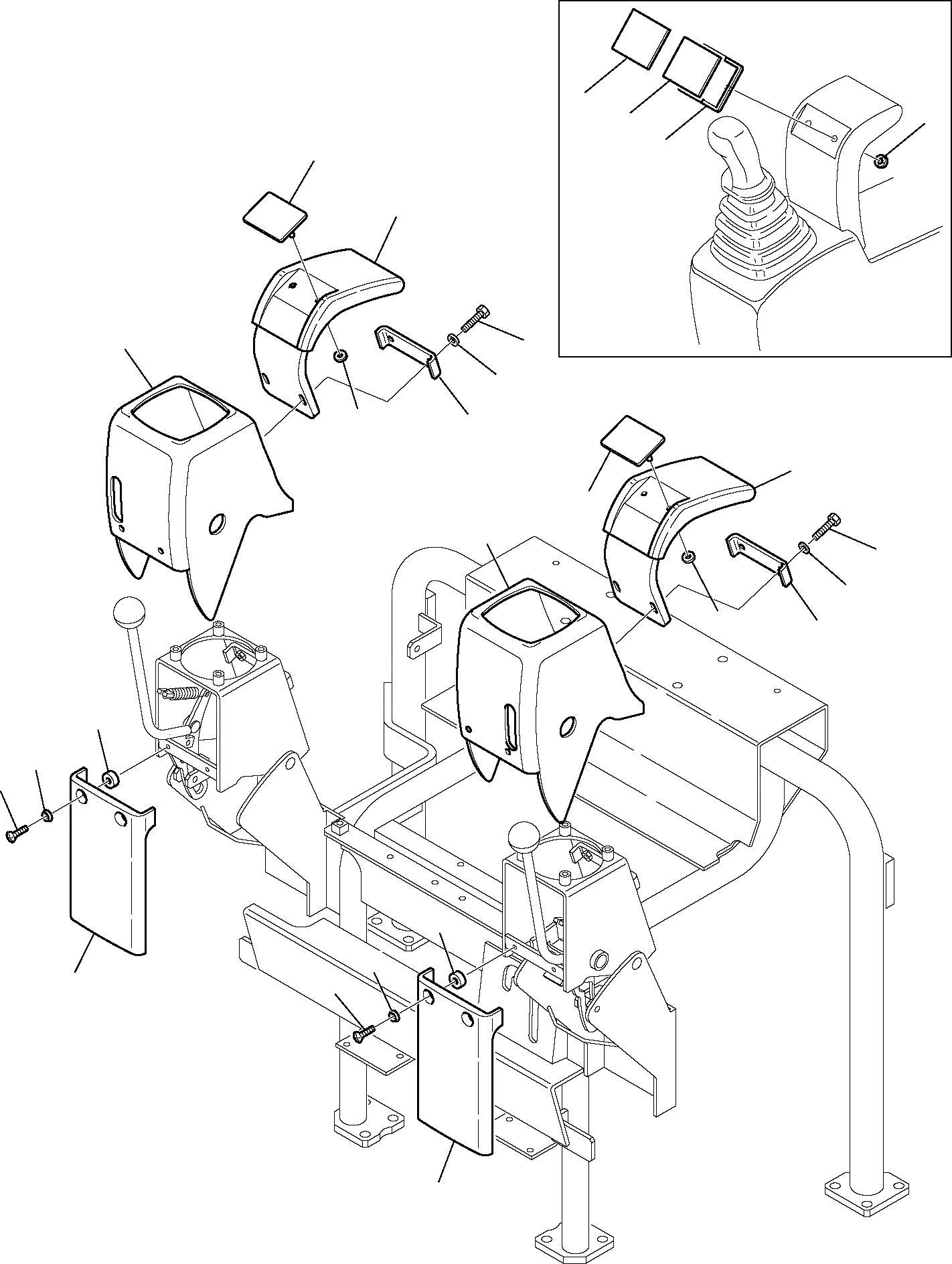
Запчасти Komatsu PC15R-8 DELUXE КРЫШКАPPC КЛАПАН ЧАСТИ КОРПУСА И КАБИНА

Схема запчастей Komatsu PC15R-8 DELUXE - КРЫШКАPPC КЛАПАН ЧАСТИ КОРПУСА И КАБИНА
15
4
16
3
14
2
1
6
7
5
4
2
8
9
6
7
4
5
13
12
11
13
12
11
10
10
FIT
1:1
100%

Артикул

Название

Примечание

Количество

1

3F0542673

HOOD, R.H.

2

3F0542071

REST, ARM

3

3F1042630

PLATE, OPERATING, PPC VALVE (R.H.)

4

802190004

WASHER

5

3F0542688

BRACKET

6

801105117

SCREW

7

802170000

WASHER

8

3F1042631

PLATE, OPERATING, PPC VALVE (L.H.)

9

3F0542674

HOOD, L.H.

10

3F0542677

COVER

11

801250261

SCREW

12

816212687

WASHER

13

3F0542676

SLEEVE

14

3F4542055

PLATE, SUPPORT

15

3F45B2646

PLATE, OPERATING, PPC VALVE (R.H.)(PATTERN OPTION)

16

3F45B2647

PLATE, OPERATING, PPC VALVE (L.H.)(PATTERN OPTION)

Выбрано товаров: 16