Качественные детали и логистика
Оригинальные и аналоговые запчасти с доставкой по России, Казахстану и Беларуси
©2022 PartSell ООО "Система" ИНН 2463123282 ОГРН 1212400004838
Центральный офис: г. Красноярск, Академика Киренского, д.87, пом.4
Телефон: 8 (800) 777-65-74 Email: zakaz@partsell.ru
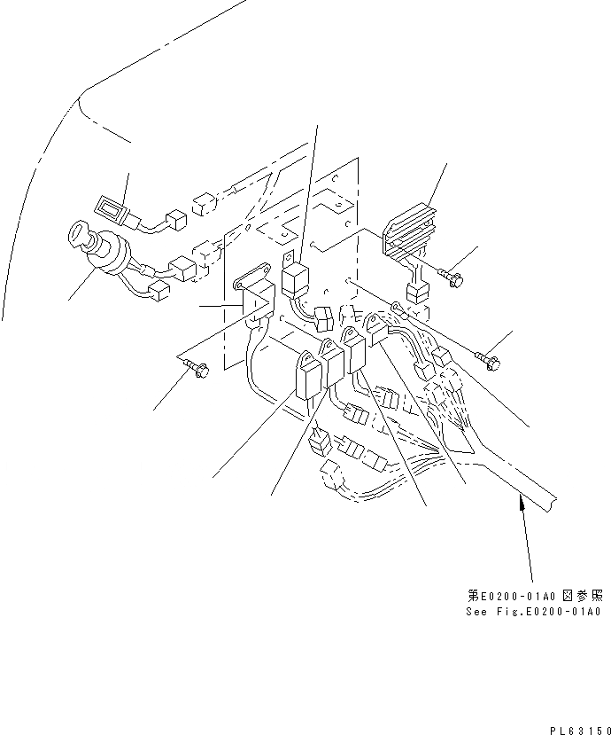
ЭЛЕКТР. ЭЛЕКТРОПРОВОДКА (ПРЕДОХРАНИТЕЛЬ КОРПУС И РЕЛЕ ЛИНИЯ)
№
Артикул
Название
Примечание
Количество
1
20M-06-73122
WIRING HARNESS
20S-06-31130
STARTING SWITCH
2
20M-06-72120
SWITCH
3
YM119653-77710
LIMITER,WITH CHARGE INDICATOR
YM119640-77711
LIMITER
4
01435-00620
BOLT
5
20M-06-73151
WIRE ASS'Y
6
20M-06-71210
TIMER
7
YM128300-77920
8
YM119632-77920
9
01435-00610
10
YM119247-77100
RELAY
11
YM119650-77910
12
YM119653-77720
DUMMY CONNECTOR
YM121522-77721
INDICATOR
Выбрано товаров: 0