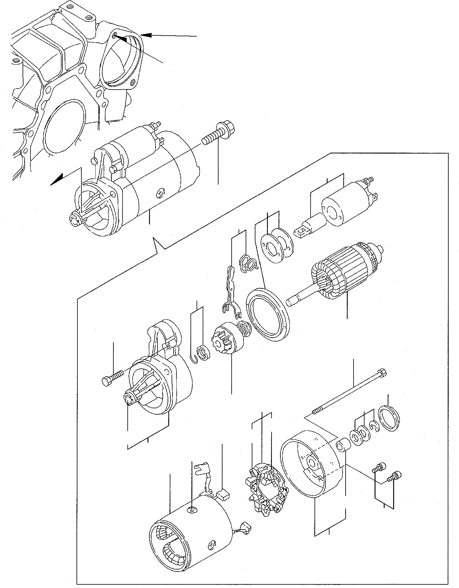
Запчасти Komatsu PC15R-8 СТАРТЕР ДВИГАТЕЛЬ

Схема запчастей Komatsu PC15R-8 - СТАРТЕР ДВИГАТЕЛЬ
A
a
a
2
22
13
9
1
12
11
8
10
13
6
19
14
20
21
17
7
16
15
18
5
3
4
FIT
1:1
100%

Артикул

Название

Примечание

Количество

\0

871070020

MOTOR, ASSY.

1

YM119225-77011

STARTER MOTOR

2

YMX2114275070

SWITCH, MAGNETIC

3

YMX2114283500

SCREW SET

4

YMX2114430010

COVER, REAR, ASSY.

5

YMX2114535200

SPACER

6

YMX2114455040

PINION, ASSY.

7

YMX2114531200

BRUSH (+)

8

YMX2114586700

BOLT

9

YMX2114660130

KIT, LEVER

10

YMX2114680050

THROUGHT BOLT

11

YMX2114710080

ROTOR,ASSY.

12

YMX2114715500

SPACER

13

YMX2114780060

PAN ASSY., DUST

14

YMX2114811000

WASHER KIT, THRUST

15

YMX2114821500

SCREW SET

16

YMX2114866060

HOUSING, GEAR

17

YMX2114535200

CAP

18

YMX2114921040

COIL ASSY.,FIELD

19

YMX2114990010

HOLDER BRUSH, ASSY.

20

YMX2114831300

BRUSH (--)

21

YMX2114931400

SPRING

22

YM26106-100252

BOLT

Выбрано товаров: 23