Качественные детали и логистика
Оригинальные и аналоговые запчасти с доставкой по России, Казахстану и Беларуси
©2022 PartSell ООО "Система" ИНН 2463123282 ОГРН 1212400004838
Центральный офис: г. Красноярск, Академика Киренского, д.87, пом.4
Телефон: 8 (800) 777-65-74 Email: zakaz@partsell.ru
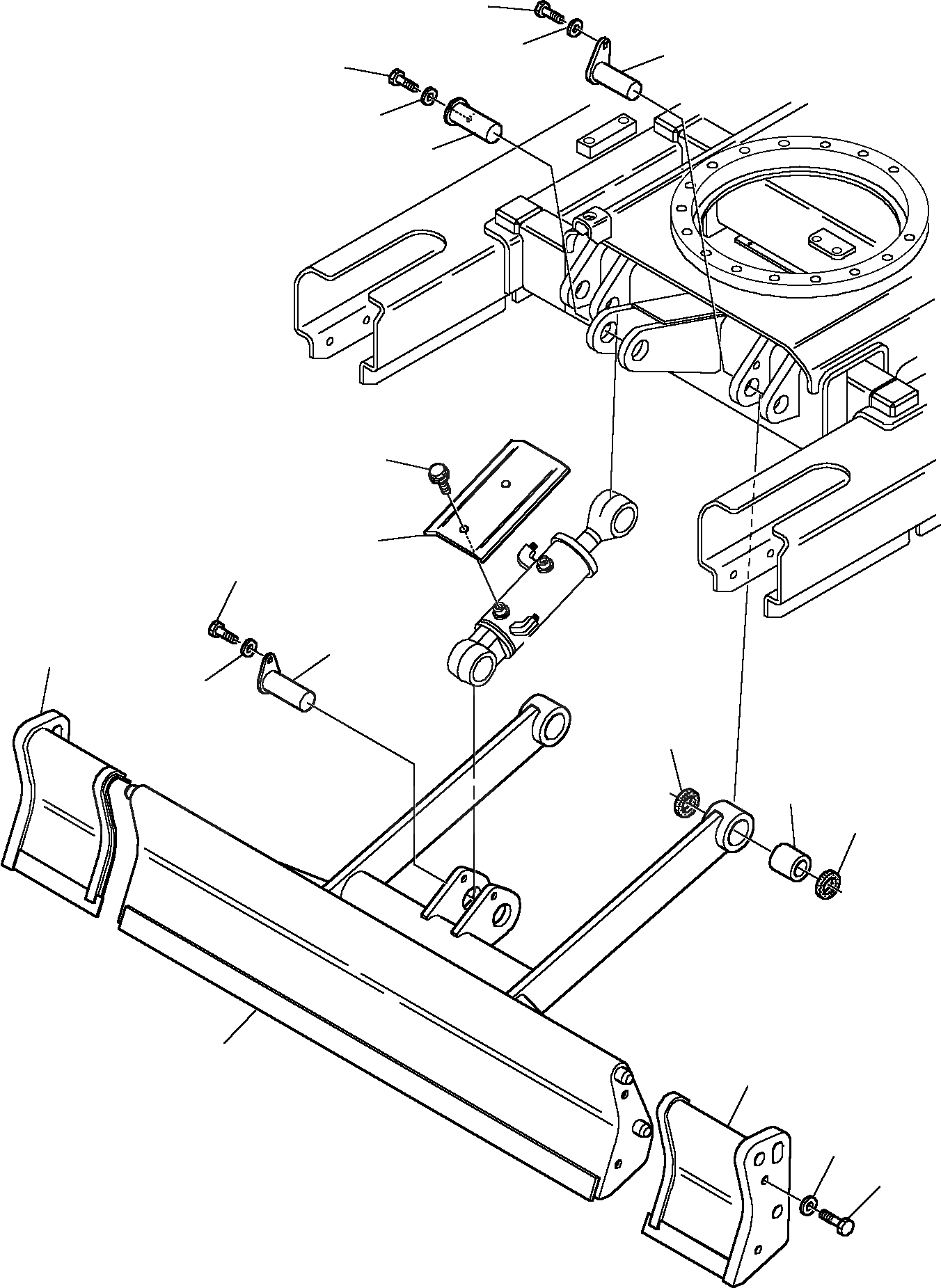
ОТВАЛ (РЕГУЛЯТОР НИЖН.CARRIAGE)
№
Артикул
Название
Примечание
Количество
\0
3F07A4051
BLADE, DOZER, ASSY.
1
3F07A4052
BLADE, DOZER
2
3F07A4054
EXTENSION, L.H.
3
801015187
BOLT
4
802170005
WASHER
5
3F07A4053
EXTENSION, R.H.
6
3F0589618
BUSHING
7
3F0589619
GASKET
8
3F05A6050
PIN
9
801015108
10
802170002
11
3F07A4606
PROTECTION
12
801085044
SCREW
13
3F0597057
Выбрано товаров: 0