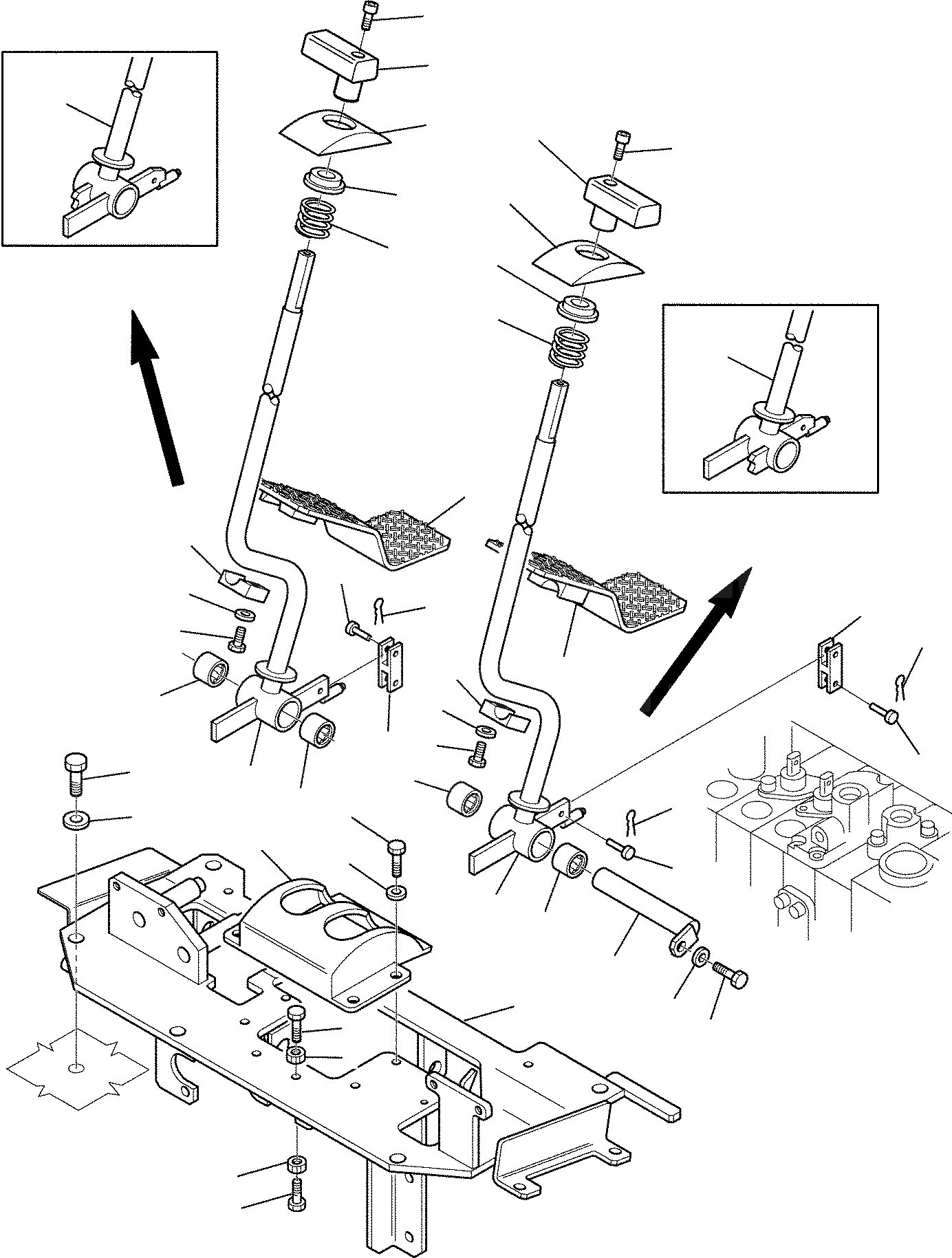
Запчасти Komatsu PC15R-8 РЫЧАГ УПРАВЛ-Я ХОДОМ СИСТЕМА УПРАВЛЕНИЯ И ОСНОВНАЯ РАМА

Схема запчастей Komatsu PC15R-8 - РЫЧАГ УПРАВЛ-Я ХОДОМ СИСТЕМА УПРАВЛЕНИЯ И ОСНОВНАЯ РАМА
23
22
9
21
22
23
21
20
19
20
19
10
11
11
17
6
18
16
7
18
12
12
15
6
7
16
17
2
15
9
18
15
5
3
4
6
17
10
15
13
1
6
24
14
8
8
7
FIT
1:1
100%

Артикул

Название

Примечание

Количество

1

3F0565077

SUPPORT

3

802170002

WASHER

4

3F0578066

COVER

5

801015082

BOLT

6

802170001

WASHER

7

801015087

BOLT

9

3F0578070

LEVER, R.H.

9

3F0578072

LEVER, R.H.

10

3F0578069

LEVER, L.H.

10

3F0578071

LEVER, L.H.

11

3F0578067

PEDAL, R.H.

12

3F0578068

PEDAL, L.H.

13

3F0578064

PIN

14

801015084

BOLT

15

805820127

BEARING

16

3F0578636

FORK

17

500611648

PIN

18

802610010

PIN, COTTER

19

804040013

SPRING

20

3F1078600

SEAT, NOZZLE SPRING

21

500611666

COVER

22

802640729

KNOB

23

801200672

SCREW

Выбрано товаров: 0