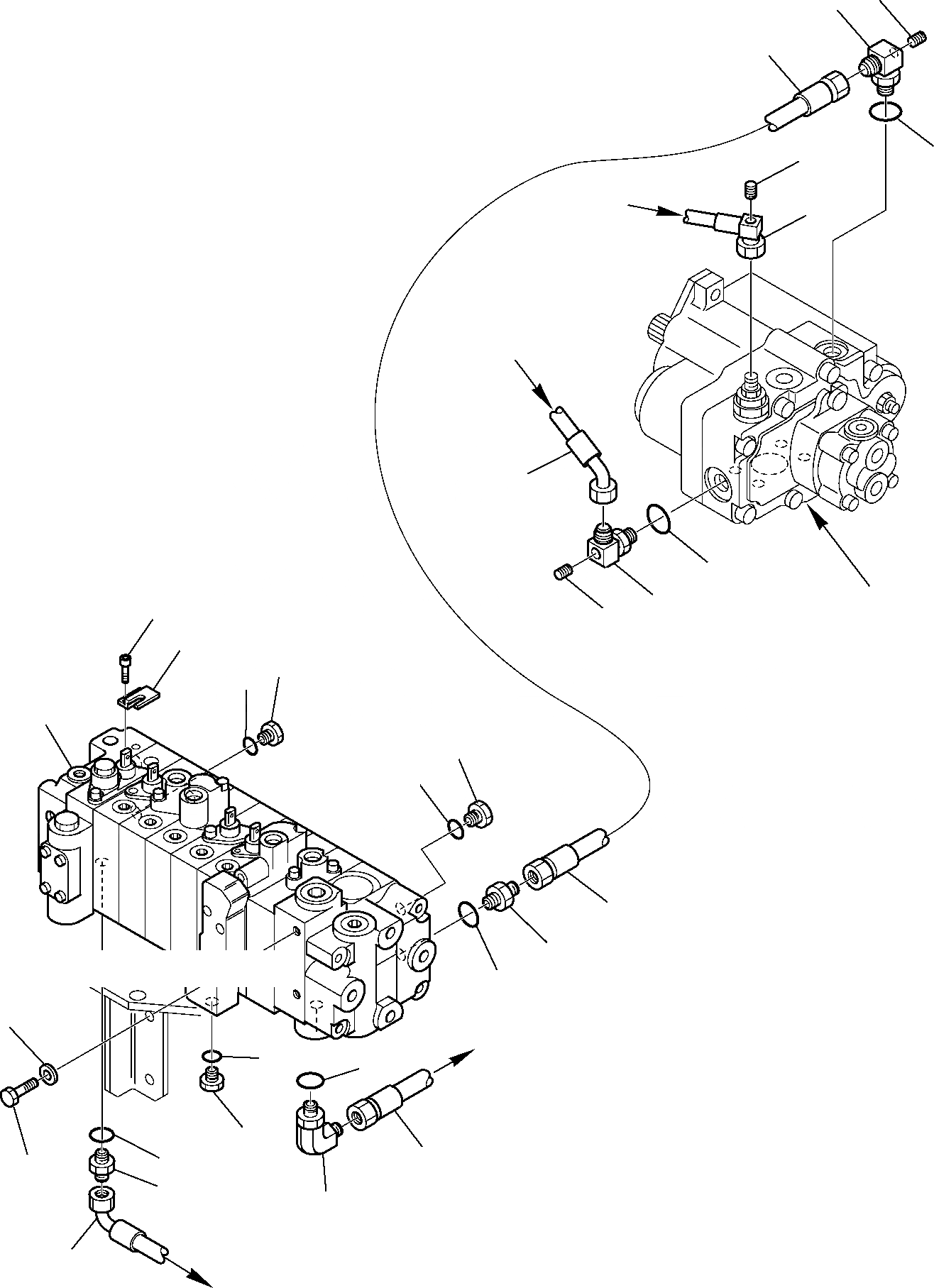
Запчасти Komatsu PC15R-8 ГИДРОЛИНИЯ (ЛИНИЯ ПОДАЧИ) УПРАВЛ-Е РАБОЧИМ ОБОРУДОВАНИЕМ

Схема запчастей Komatsu PC15R-8 - ГИДРОЛИНИЯ (ЛИНИЯ ПОДАЧИ) УПРАВЛ-Е РАБОЧИМ ОБОРУДОВАНИЕМ
13
a
17
a
b
16
b
A
13
18
21
10
12
23
11
13
22
6
7
1
4
5
16
14
15
3
7
20
6
21
9
2
8
19
10
FIT
1:1
100%

Артикул

Название

Примечание

Количество

1

3F0765053

CONTROL VALVE, ASSY.

2

801015086

BOLT

3

802170001

WASHER

4

306511059

PLUG

5

855051616

O-RING

6

306510071

PLUG

7

855051111

O-RING

8

3F0565074

UNION

9

855051111

O-RING

10

392076001

HOSE

11

3F0761051

ELBOW

12

855051111

O-RING

13

500365319

PLUG

14

306510060

UNION

15

855670031

O-RING

16

392059178

HOSE

17

3F0761050

ELBOW

18

855051115

O-RING

19

3F0565085

ELBOW

20

855051111

O-RING

21

3F0761052

HOSE

22

3F0565647

STOPPER

23

801104072

SCREW

Выбрано товаров: 23