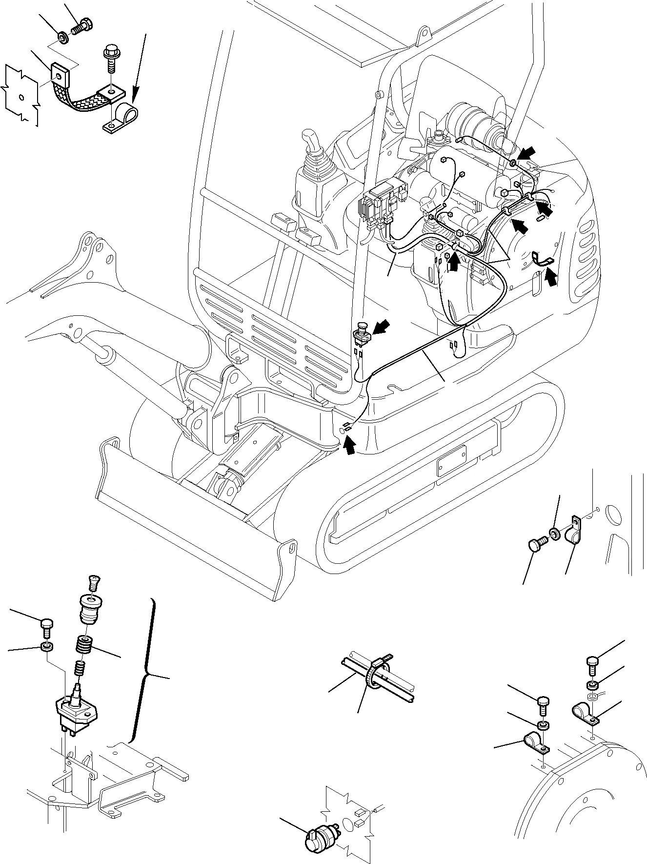
Запчасти Komatsu PC15R-8 ЭЛЕКТРИКА (/) КОМПОНЕНТЫ ДВИГАТЕЛЯ И ЭЛЕКТРИКА

Схема запчастей Komatsu PC15R-8 - ЭЛЕКТРИКА (/) КОМПОНЕНТЫ ДВИГАТЕЛЯ И ЭЛЕКТРИКА
5
6
10
8
a
b
c
d
d
e
a
b
c
d
e
f
f
A
15
1
2
2
6
4
5
13
9
14
12
6
11
5
1
6
7
3
FIT
1:1
100%

Артикул

Название

Примечание

Количество

1

885270555

WIRING HARNESS

2

885270553

WIRING HARNESS

3

885411196

ELECTRICAL SOCKET

4

802660034

COLLAR

5

801015108

BOLT

6

802170002

WASHER

7

802660501

COLLAR

8

802660500

HOSE-CLAMP

9

801015109

BOLT

10

885180012

HOSE-CLAMP

11

885080067

PUSH-BUTTON

12

885241028

CATCH

13

801015066

BOLT

14

802170000

WASHER

15

885411077

CABLE

Выбрано товаров: 15