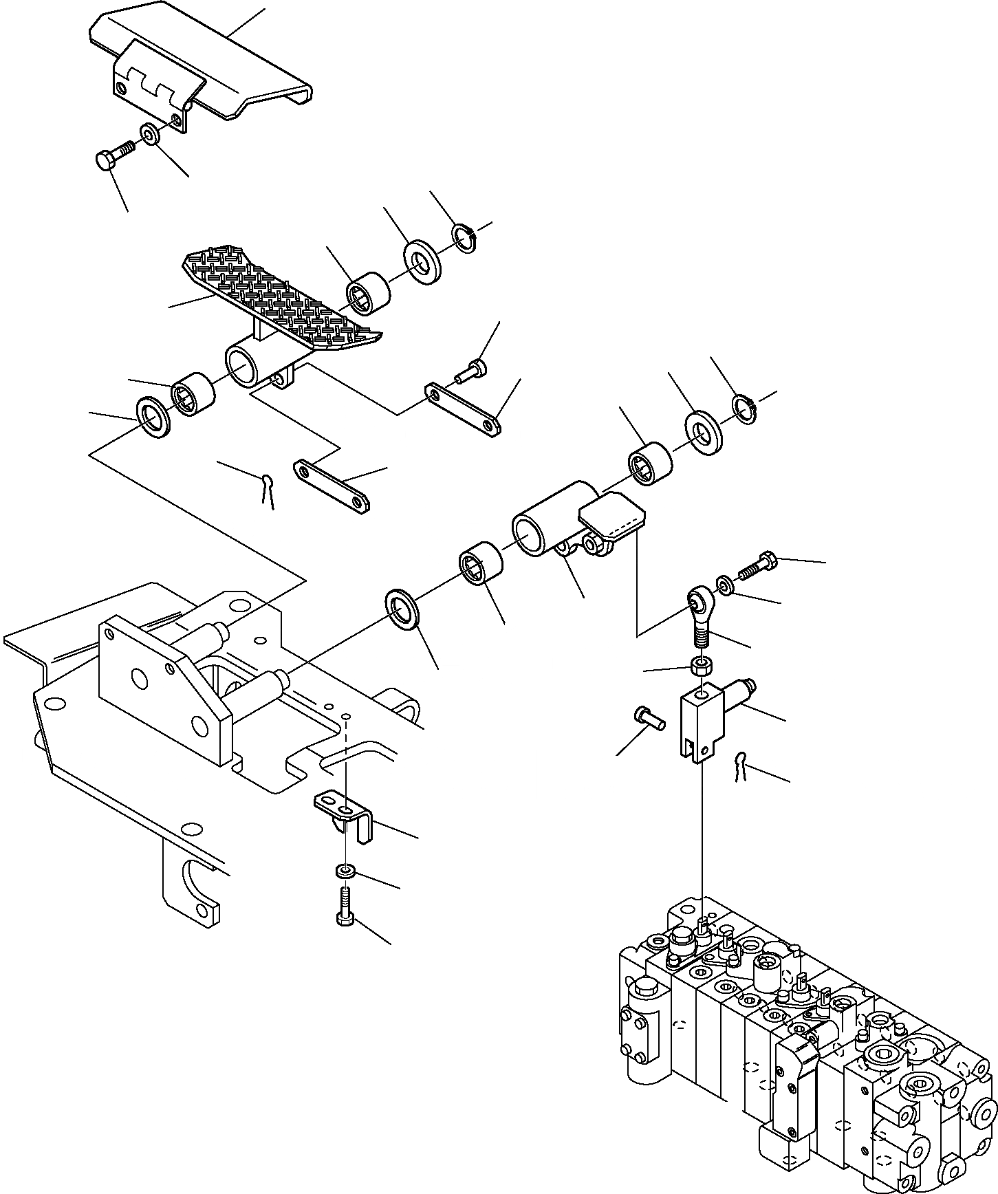
Запчасти Komatsu PC15R-8 УПРАВЛЕНИЕ ПОВОРОТОМ СТРЕЛЫ ПЕДАЛЬ СИСТЕМА УПРАВЛЕНИЯ И ОСНОВНАЯ РАМА

Схема запчастей Komatsu PC15R-8 - УПРАВЛЕНИЕ ПОВОРОТОМ СТРЕЛЫ ПЕДАЛЬ СИСТЕМА УПРАВЛЕНИЯ И ОСНОВНАЯ РАМА
9
4
11
5
10
3
1
7
4
5
6
3
3
21
8
6
13
11
2
3
12
17
21
14
15
16
18
20
19
FIT
1:1
100%

Артикул

Название

Примечание

Количество

1

3F0579063

PEDAL

2

3F0579065

SLIDER

3

805820127

BEARING

4

802250014

RING, SNAP

5

802170004

WASHER

6

3F0579633

PLATE

7

500611700

PIN

8

802610026

PIN, COTTER

9

3F0579062

PROTECTION, PEDAL

10

801015086

BOLT

11

802170001

WASHER

12

805850252

JOINT

13

801015088

BOLT

14

3F0579064

FORK

15

500611648

PIN

16

802610010

PIN, COTTER

17

801920104

NUT

18

3F0565645

GUIDE, FORK

19

801015064

BOLT

20

802170000

WASHER

21

390617009

SPACER

Выбрано товаров: 21