Запчасти Komatsu PC15T-2 МАРКИРОВКА (ДЛЯ КАБИНЫ) (ЯПОН.) МАРКИРОВКА¤ ИНСТРУМЕНТ И РЕМКОМПЛЕКТЫ

Схема запчастей Komatsu PC15T-2 - МАРКИРОВКА (ДЛЯ КАБИНЫ) (ЯПОН.) МАРКИРОВКА¤ ИНСТРУМЕНТ И РЕМКОМПЛЕКТЫ
FIT
1:1
100%

Артикул

Название

Примечание

Количество

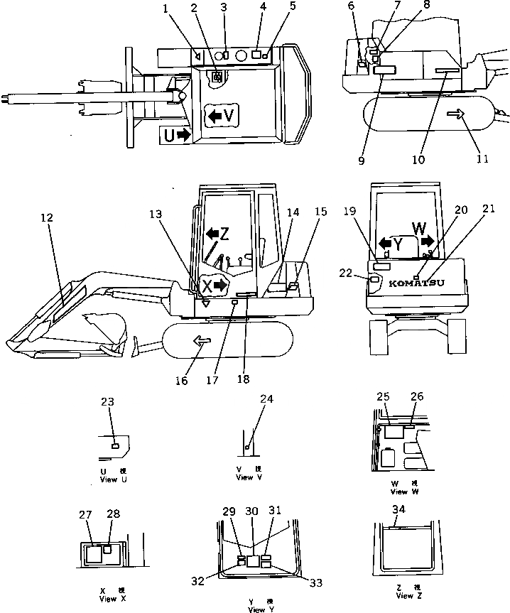
1

20W-98-12530

PLATE¤ MARK,POWERFUL MINI

2

20T-98-21130

PLATE¤ OPERATING,BOOM SWING

3

20M-98-62210

PLATE¤ CAUTION,FUEL

|3

20N-98-41180

PLATE¤ INSTRUCTION,FUEL

4

20N-98-41190

PLATE¤ INSTRUCTION,HYDRAULIC OIL

5

09653-00100

PLATE¤ SAFETY,HYDRAULIC TANK CAP

6

20P-98-12140

PLATE¤ MARK,URBAN

7

09650-01103

PLATE¤ INSTRUCTION,RADIATOR WATER LEVEL

8

09668-00100

PLATE¤ SAFETY,RADIATOR CAP

9

20P-98-12120

PLATE¤ MARK,PC15

10

20W-98-12510

PLATE¤ MARK,KOMATSU

11

20M-98-48250

PLATE¤ MARK,ARROW

12

20N-98-42130

PLATE¤ MARK,KOMATSU

13

20W-98-12530

PLATE¤ MARK,POWERFUL MINI

14

20P-98-12110

PLATE¤ MARK,PC15

15

20P-98-12130

PLATE¤ MARK,URBAN

16

20M-98-48250

PLATE¤ MARK,ARROW

17

20N-98-42140

PLATE¤ OPERATING,LUBRICATION

18

09690-50250

PLATE¤ MARK,KOMATSU

19

20N-98-42170

PLATE¤ CAUTION,KEEP OUT OF TURNING AREA

20

09667-00100

PLATE¤ SAFETY,ENGINE COVER

21

09690-50900

PLATE¤ MARK,KOMATSU

22

20N-98-21290

PLATE¤ CAUTION,FUEL FILTER

23

09601-00835

PLATE¤ NAME,(LIMITED SUPPLY)

|23

04418-13060

SCREW

24

20N-98-42180

PLATE¤ OPERATING,(QUICK SHIFT)

25

20R-98-41250

PLATE¤ OPERATING,WORK EQUIPMENT

26

20M-98-34110

PLATE¤ SAFETY,STARTING AND AFTER OPERATING

27

20P-98-12150

CHART¤ OIL,OIL

28

20P-98-12160

PLATE¤ DATA

29

09651-00100

PLATE¤ SAFETY,BEFORE OPERATING

30

20N-98-41210

PLATE¤ SAFETY

31

20T-98-21210

PLATE¤ OPERATING,DOOR LOCK

32

09173-00100

PLATE¤ SAFETY,INSPECTION AND MAINTENANCE

33

09132-00100

PLATE¤ SAFETY,STARTING AND AFTER OPERATING

34

20T-98-21230

PLATE¤ CAUTION,CENTER SASH

Выбрано товаров: 36