Запчасти Komatsu PC160-6K ЭЛЕКТРОПРОВОДКА (/) (ОСНОВН. Э/ПРОВОДКА)(№K-) ЭЛЕКТРИКА

Схема запчастей Komatsu PC160-6K - ЭЛЕКТРОПРОВОДКА (/) (ОСНОВН. Э/ПРОВОДКА)(№K-) ЭЛЕКТРИКА
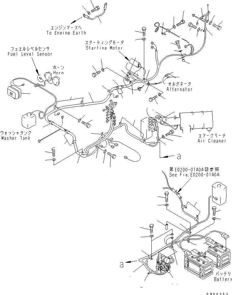
1
1
2
2
2
2
3
3
4
5
6
7
8
9
9
10
11
12
13
14
14
14
15
16
17
18
18
18
19
20
21
22
23
24
25
26
27
28
29
30
31
32
33
34
35
36
37
38
39
41
42
43
44
45
46
47
48
49
50
51
52
53
54
55
56
56
FIT
1:1
100%

Артикул

Название

Примечание

Количество

1

21P-06-K3336

WIRING HARNESS

|1

21P-06-K3335

WIRING HARNESS

|1

21P-06-K3334

WIRING HARNESS

|1

21P-06-K3333

WIRING HARNESS

|1

21P-06-K3332

WIRING HARNESS

2

08036-02514

CLIP

3

08036-02514

CLIP

4

01010-81220

BOLT

5

01010-81220

BOLT

6

01010-81220

BOLT

|6

01010-81290

BOLT

7

195-979-3570

COLLAR

8

01643-31232

WASHER

9

01643-31232

WASHER

10

08036-01814

CLIP

11

01010-81220

BOLT

12

01643-31232

WASHER

13

08034-00536

BAND

14

08036-02514

CLIP

15

01010-81220

BOLT

16

01643-31232

WASHER

17

08038-00519

CAP

18

08036-03014

CLIP

19

08036-03014

CLIP

20

01010-81220

BOLT

21

01010-81220

BOLT

22

01643-31232

WASHER

23

01643-31232

WASHER

24

205-62-72140

COVER

25

08034-00823

BAND

26

08036-01414

CLIP

27

01010-81220

BOLT

28

01643-31232

WASHER

29

08036-01014

CLIP

|29

08036-01414

CLIP

30

01010-80812

BOLT

|30

01010-81220

BOLT

31

01643-30823

WASHER

|31

01643-31232

WASHER

32

20Y-06-K2680

WORK LAMP ASS'Y

|32

205-06-K1223

WORK LAMP ASS'Y

|32

205-06-K1890

BULB¤ 70W

33

08036-91814

CLIP

34

01010-81220

BOLT

35

01643-31232

WASHER

36

08053-01512

CLIP

37

01010-81220

BOLT

38

01643-31232

WASHER

39

08036-91814

CLIP

41

6131-22-3750

BOSS

42

01010-81240

BOLT

43

01643-31232

WASHER

44

08036-91814

CLIP

45

08038-10519

CAP

46

08038-10525

CAP

47

08036-91814

CLIP

48

01010-81220

BOLT

49

01643-31232

WASHER

50

08053-01512

CLIP

51

01010-81220

BOLT

52

01643-31232

WASHER

53

08028-42035

CABLE

54

01010-81020

BOLT

55

01643-31032

WASHER

56

08036-03014

CLIP

Выбрано товаров: 65