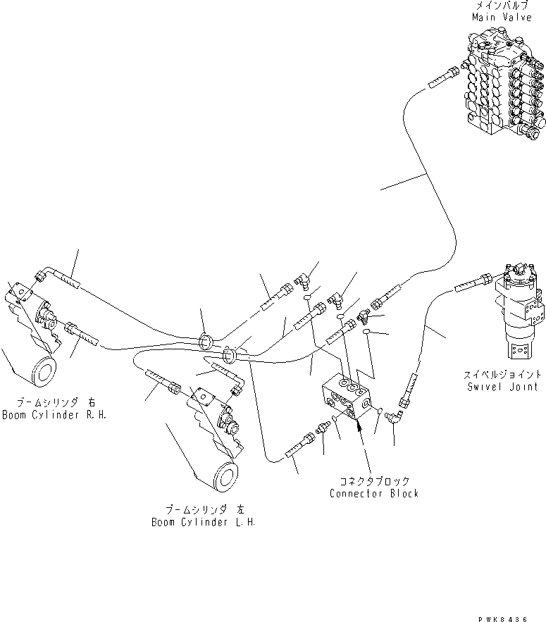
Запчасти Komatsu PC160-6K ПРЕДОТВРАЩ. СМЕЩЕНИЯ (СТРЕЛА)(№K-) ГИДРАВЛИКА

Схема запчастей Komatsu PC160-6K - ПРЕДОТВРАЩ. СМЕЩЕНИЯ (СТРЕЛА)(№K-) ГИДРАВЛИКА
1
2
3
4
4
5
5
5
6
7
8
8
9
9
10
11
11
12
12
13
14
15
FIT
1:1
100%

Артикул

Название

Примечание

Количество

1

07230-20210

UNION

2

07002-11423

O-RING

3

07235-10422

ELBOW

4

07235-10315

ELBOW

5

07002-12034

O-RING

6

208-26-11611

TEE

7

07002-11423

O-RING

8

21P-62-K2511

HOSE

9

07102-20206

HOSE

10

08034-00536

BAND

11

21P-62-K2521

HOSE

12

07102-20306

HOSE

13

08034-00536

BAND

14

07102-20217

HOSE

15

07102-20403

HOSE

Выбрано товаров: 15