Запчасти Komatsu PC1600-1-A ОСНОВН. НАСОС (/7) (ПОВОРОТН. НАСОС) ОСНОВН. КОМПОНЕНТЫ И РЕМКОМПЛЕКТЫ

Схема запчастей Komatsu PC1600-1-A - ОСНОВН. НАСОС (/7) (ПОВОРОТН. НАСОС) ОСНОВН. КОМПОНЕНТЫ И РЕМКОМПЛЕКТЫ
FIT
1:1
100%

Артикул

Название

Примечание

Количество

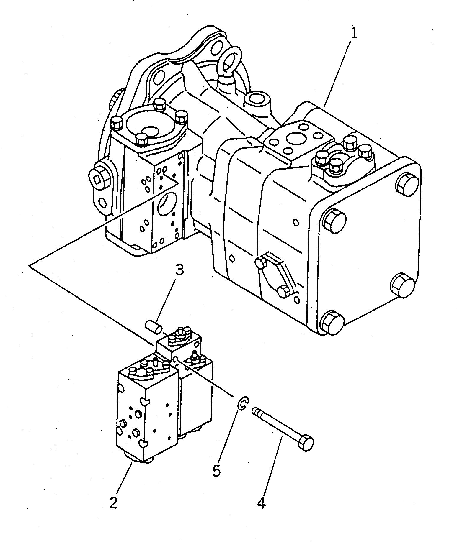
|1

708-17-01012

PUMP ASS'Y

|1

708-17-01011

PUMP ASS'Y

|1

708-17-01010

PUMP ASS'Y

1

708-17-01140

PUMP SUB ASS'Y

|1

708-17-01110

PUMP SUB ASS'Y

|1

708-17-21100

PUMP SUB ASS'Y

2

708-17-07110

SERVO VALVE ASS'Y

3

04020-00616

PIN,DOWEL

4

708-25-19130

BOLT

5

01602-00825

WASHER,SPRING

Выбрано товаров: 10