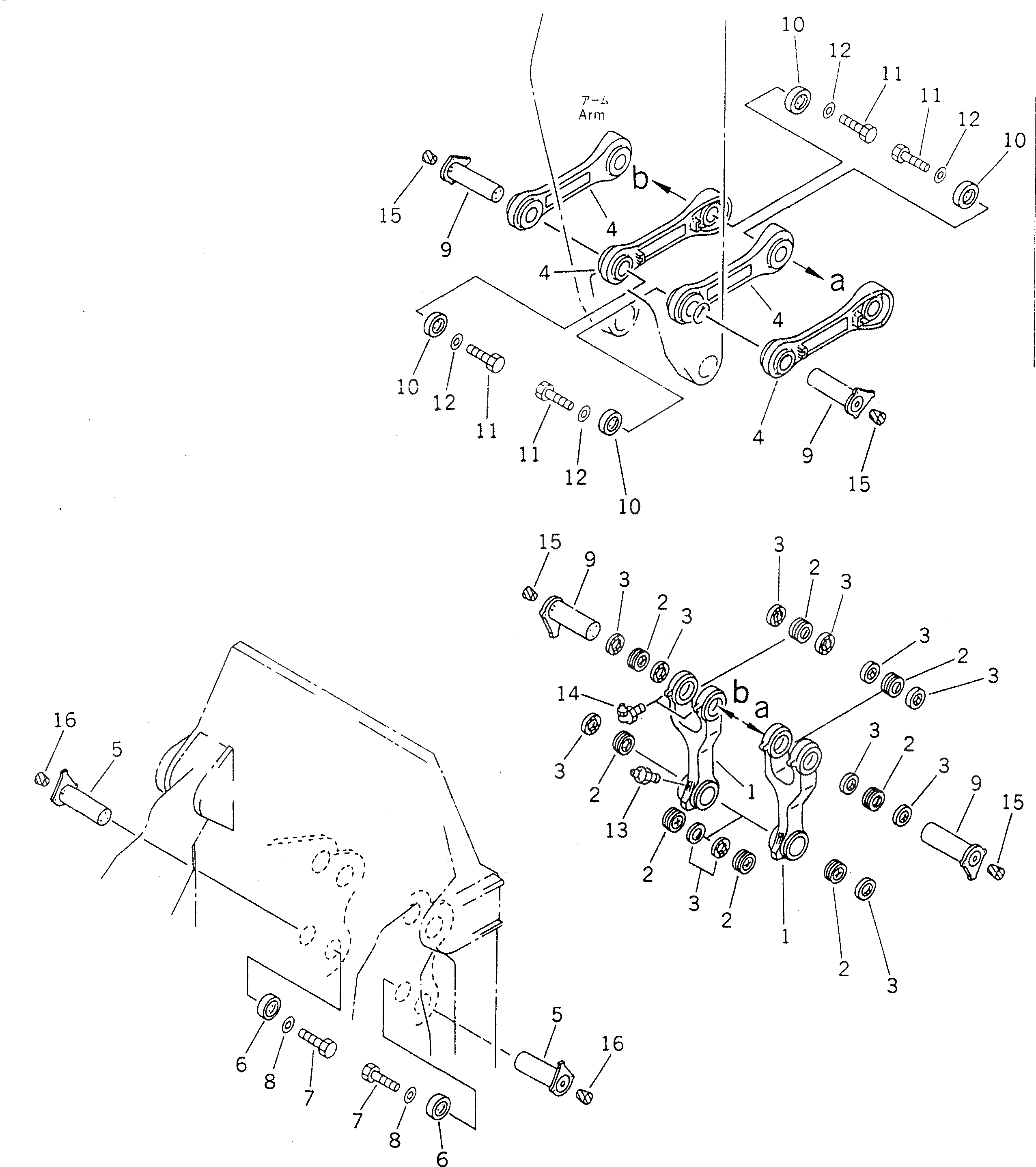
Запчасти Komatsu PC1600-1 СОЕДИНИТЕЛЬН. ЗВЕНО (ДЛЯ ПОГРУЗ.) РАБОЧЕЕ ОБОРУДОВАНИЕ

Схема запчастей Komatsu PC1600-1 - СОЕДИНИТЕЛЬН. ЗВЕНО (ДЛЯ ПОГРУЗ.) РАБОЧЕЕ ОБОРУДОВАНИЕ
FIT
1:1
100%

Артикул

Название

Примечание

Количество

G-1

21T-72-X1000

WORK EQUIPMENT GROUP

1

21T-72-73130

LINK

2

21T-72-72160

BUSHING

3

209-72-11261

SEAL

4

21T-72-73111

LINK

5

21T-72-73150

PIN

6

21T-72-73170

STOPPER

7

01010-51640

BOLT

8

01643-31645

WASHER

9

21T-72-73140

PIN

10

21T-72-73170

STOPPER

11

01010-81645

BOLT

11

01010-51645

BOLT

12

01643-31645

WASHER

13

07020-00000

FITTING,GREASE

14

07020-00900

FITTING,GREASE

15

07049-01620

PLUG

16

07049-03038

PLUG

Выбрано товаров: 18