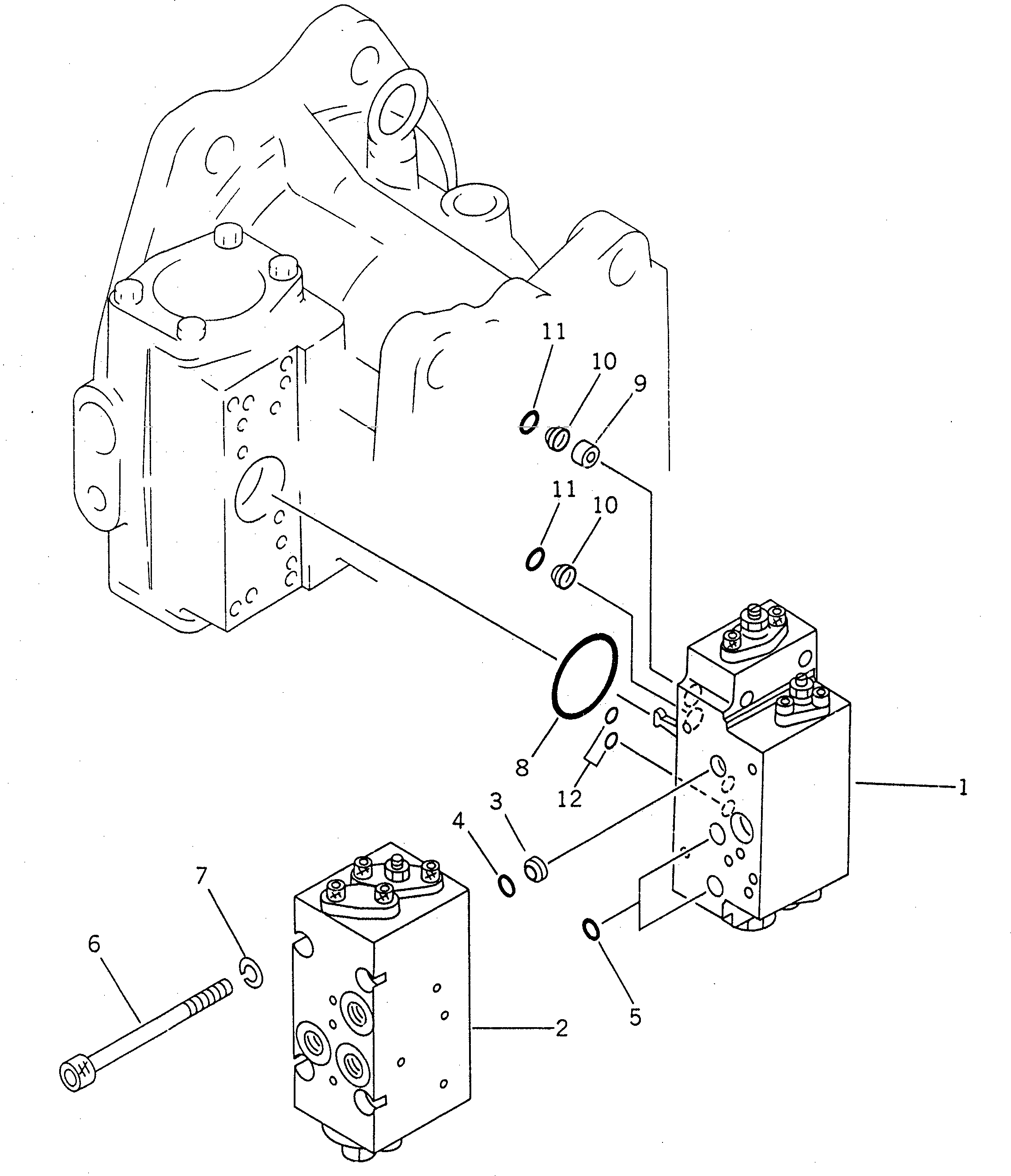
Запчасти Komatsu PC1600-1 ОСНОВН. НАСОС (/7) (ПОВОРОТН. НАСОС) ОСНОВН. КОМПОНЕНТЫ И РЕМКОМПЛЕКТЫ

Схема запчастей Komatsu PC1600-1 - ОСНОВН. НАСОС (/7) (ПОВОРОТН. НАСОС) ОСНОВН. КОМПОНЕНТЫ И РЕМКОМПЛЕКТЫ
FIT
1:1
100%

Артикул

Название

Примечание

Количество

|$3

708-17-01012

PUMP ASS'Y

|$4

708-17-01011

PUMP ASS'Y

|$5

708-17-01010

PUMP ASS'Y

|$7

708-17-07110

SERVO VALVE ASS'Y

1

708-17-07310

SERVO VALVE SUB A.

2

708-17-07510

VALVE ASS'Y

3

720-68-11920

FILTER

4

07000-12010

O-RING

5

07000-02011

O-RING

6

708-25-19130

BOLT

7

01602-20825

WASHER,SPRING

8

07000-03048

O-RING

9

708-25-19150

ORIFICE

10

720-68-11920

FILTER

11

07000-12010

O-RING

12

07000-11009

O-RING

Выбрано товаров: 16