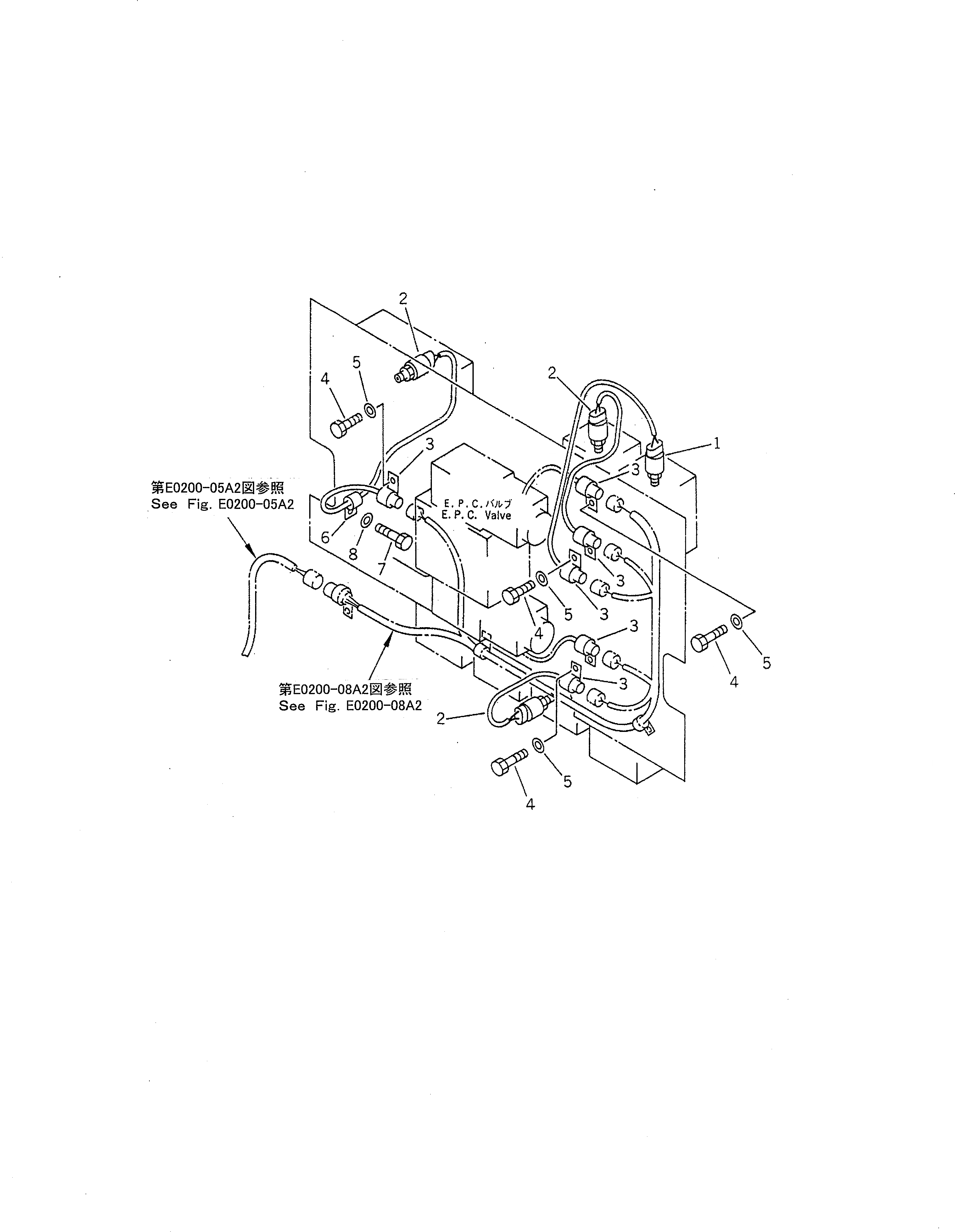
Запчасти Komatsu PC1600-1 ЭЛЕКТРИКА (КОМПОНЕНТЫ) (AROUND СТОЙКА) (С -POSITION АВТОМАТИЧ. COMPENSATION) (ДЛЯ ПОГРУЗ.) ЭЛЕКТРИКА

Схема запчастей Komatsu PC1600-1 - ЭЛЕКТРИКА (КОМПОНЕНТЫ) (AROUND СТОЙКА) (С -POSITION АВТОМАТИЧ. COMPENSATION) (ДЛЯ ПОГРУЗ.) ЭЛЕКТРИКА
FIT
1:1
100%

Артикул

Название

Примечание

Количество

1

205-06-72431

SWITCH

2

205-06-71841

SWITCH

3

195-06-41820

CLIP

4

01010-81225

BOLT

5

01643-31232

WASHER

6

08036-01414

CLIP

7

01010-81225

BOLT

8

01643-31232

WASHER

Выбрано товаров: 8