Запчасти Komatsu PC1600-1 КОНТРОЛЛЕР (С -POSITION АВТОМАТИЧ. COMPENSATION) (ДЛЯ LODER) ЭЛЕКТРИКА

Схема запчастей Komatsu PC1600-1 - КОНТРОЛЛЕР (С -POSITION АВТОМАТИЧ. COMPENSATION) (ДЛЯ LODER) ЭЛЕКТРИКА
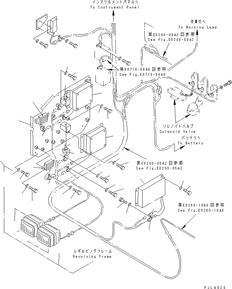
1
1
2
3
4
5
5
6
6
7
8
8
9
10
10
11
11
12
12
13
14
15
15
16
17
18
19
20
21
22
23
24
25
26
27
FIT
1:1
100%

Артикул

Название

Примечание

Количество

1

7827-50-1001

CONTROL BOX ASS'Y

2

01010-81020

BOLT

2

01010-51020

BOLT

3

01643-31032

WASHER

4

195-06-41840

CLIP

5

01010-81225

BOLT

5

01010-51225

BOLT

6

01643-31232

WASHER

7

205-06-71890

SWITCH

8

203-06-41610

CAP

9

195-06-41830

CLIP

10

01010-81225

BOLT

10

01010-51225

BOLT

11

01643-31232

WASHER

12

7827-11-1500

RESISTOR

13

01010-80820

BOLT

13

01010-50820

BOLT

14

01643-30823

WASHER

15

195-06-41820

CLIP

16

01010-81255

BOLT

16

01010-51225

BOLT

17

01643-31232

WASHER

18

7827-65-1000

CONTROL BOX ASS'Y

19

01010-81020

BOLT

20

01643-31032

WASHER

21

08036-03014

CLIP

22

08036-02514

CLIP

23

01010-81220

BOLT

24

01643-31232

WASHER

25

21T-06-71221

BRACKET

26

01010-81225

BOLT

27

01643-31232

WASHER

Выбрано товаров: 0