Запчасти Komatsu PC1600-1 ТОПЛИВН. БАК. (/) ТОПЛИВН. БАК. AND КОМПОНЕНТЫ

Схема запчастей Komatsu PC1600-1 - ТОПЛИВН. БАК. (/) ТОПЛИВН. БАК. AND КОМПОНЕНТЫ
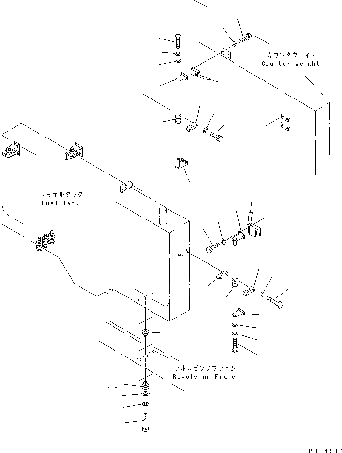
1
2
3
4
5
6
7
7
8
9
10
11
12
13
14
15
16
17
18
19
19
20
21
22
23
24
25
26
27
28
FIT
1:1
100%

Артикул

Название

Примечание

Количество

1

21T-04-71211

BRACKET

2

21T-04-71221

BRACKET

3

195-03-41440

CUSHION

4

01010-81630

BOLT

|4

01010-51630

BOLT

5

01643-31645

WASHER

6

195-03-41260

PLATE

7

209-03-51160

CLAMP

8

01010-82090

BOLT

|8

01011-82050

BOLT

|8

01011-52050

BOLT

9

01643-32060

WASHER

10

21T-04-71121

BRACKET

11

21T-04-71190

BRACKET

12

195-03-41440

CUSHION

13

01010-81630

BOLT

|13

01010-51630

BOLT

14

01643-31645

WASHER

15

195-03-41260

PLATE

16

209-03-51160

CLAMP

17

01011-82050

BOLT

|17

01010-82090

BOLT

|17

01010-52090

BOLT

18

01643-32060

WASHER

19

195-04-31140

RUBBER

20

01011-82410

BOLT

|20

01011-52410

BOLT

21

01643-32460

WASHER

22

195-04-31150

PLATE

23

01010-81685

BOLT

|23

01010-81650

BOLT

|23

01010-51650

BOLT

24

21T-72-12620

WASHER

|24

01643-31645

WASHER

25

21T-04-71230

SHIM

26

01010-81650

BOLT

|26

01010-81685

BOLT

|26

01010-51685

BOLT

27

01643-31645

WASHER

|27

21T-72-12620

WASHER

28

21T-04-71290

SHIM

Выбрано товаров: 41