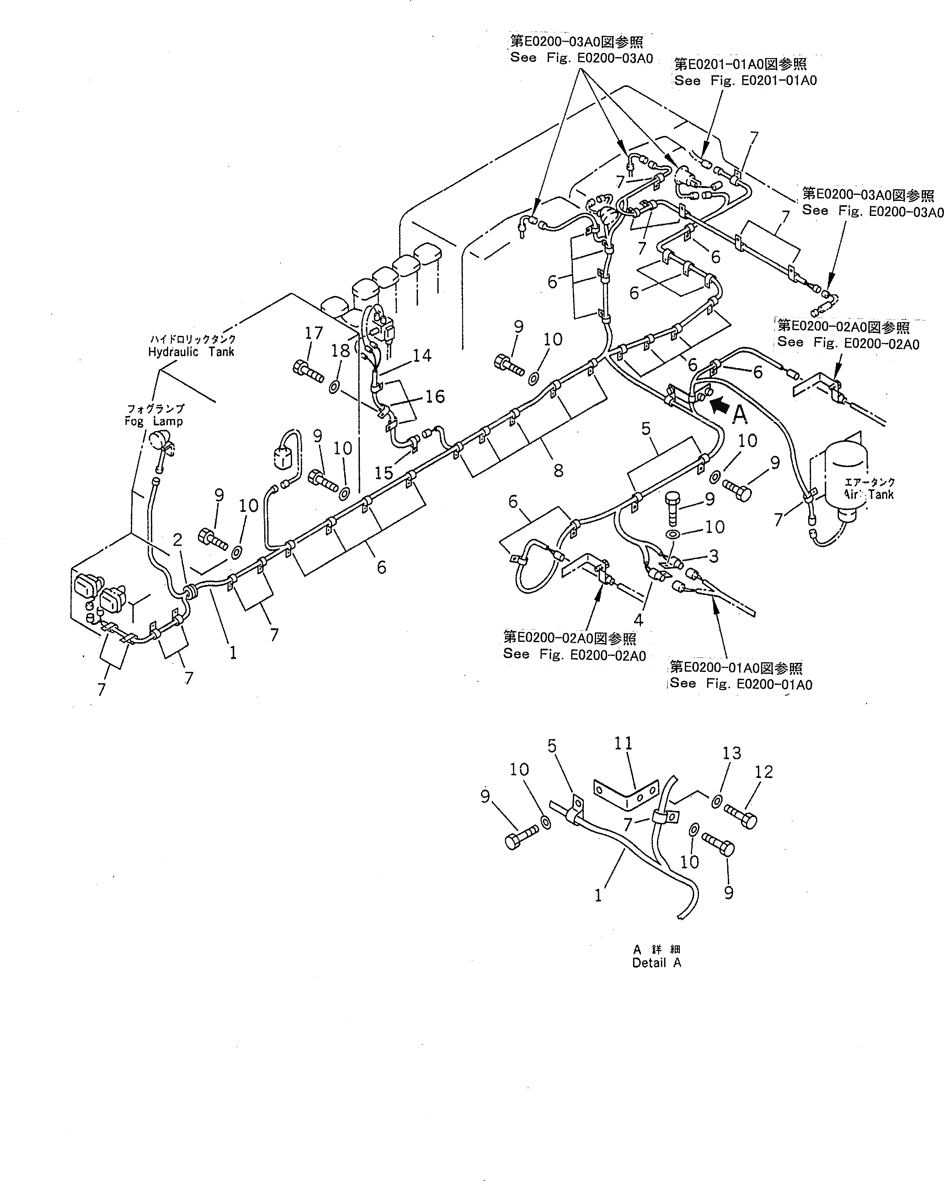
Запчасти Komatsu PC1600-1 ЭЛЕКТРИКА (ЭЛЕКТРОПРОВОДКА) (AROUND ДЕКА¤ ПРАВ.) ЭЛЕКТРИКА

Схема запчастей Komatsu PC1600-1 - ЭЛЕКТРИКА (ЭЛЕКТРОПРОВОДКА) (AROUND ДЕКА¤ ПРАВ.) ЭЛЕКТРИКА
FIT
1:1
100%

Артикул

Название

Примечание

Количество

1

21T-06-71172

WIRING HARNESS

|1

21T-06-71171

WIRING HARNESS

2

08037-03614

GROMMET

3

195-06-41820

CLIP

4

195-06-41840

CLIP

5

08036-01814

CLIP

6

08036-01014

CLIP

7

08036-00814

CLIP

8

08036-01214

CLIP

9

01010-81225

BOLT

10

01643-31232

WASHER

11

21T-06-71980

BRACKET

12

01010-81225

BOLT

13

01643-31232

WASHER

14

21T-06-71211

WIRING HARNESS

15

195-06-41820

CLIP

16

08036-01014

CLIP

17

01010-81020

BOLT

|17

01010-81220

BOLT

18

01643-31032

WASHER

|18

01643-31232

WASHER

Выбрано товаров: 21