Качественные детали и логистика
Оригинальные и аналоговые запчасти с доставкой по России, Казахстану и Беларуси
©2022 PartSell ООО "Система" ИНН 2463123282 ОГРН 1212400004838
Центральный офис: г. Красноярск, Академика Киренского, д.87, пом.4
Телефон: 8 (800) 777-65-74 Email: zakaz@partsell.ru
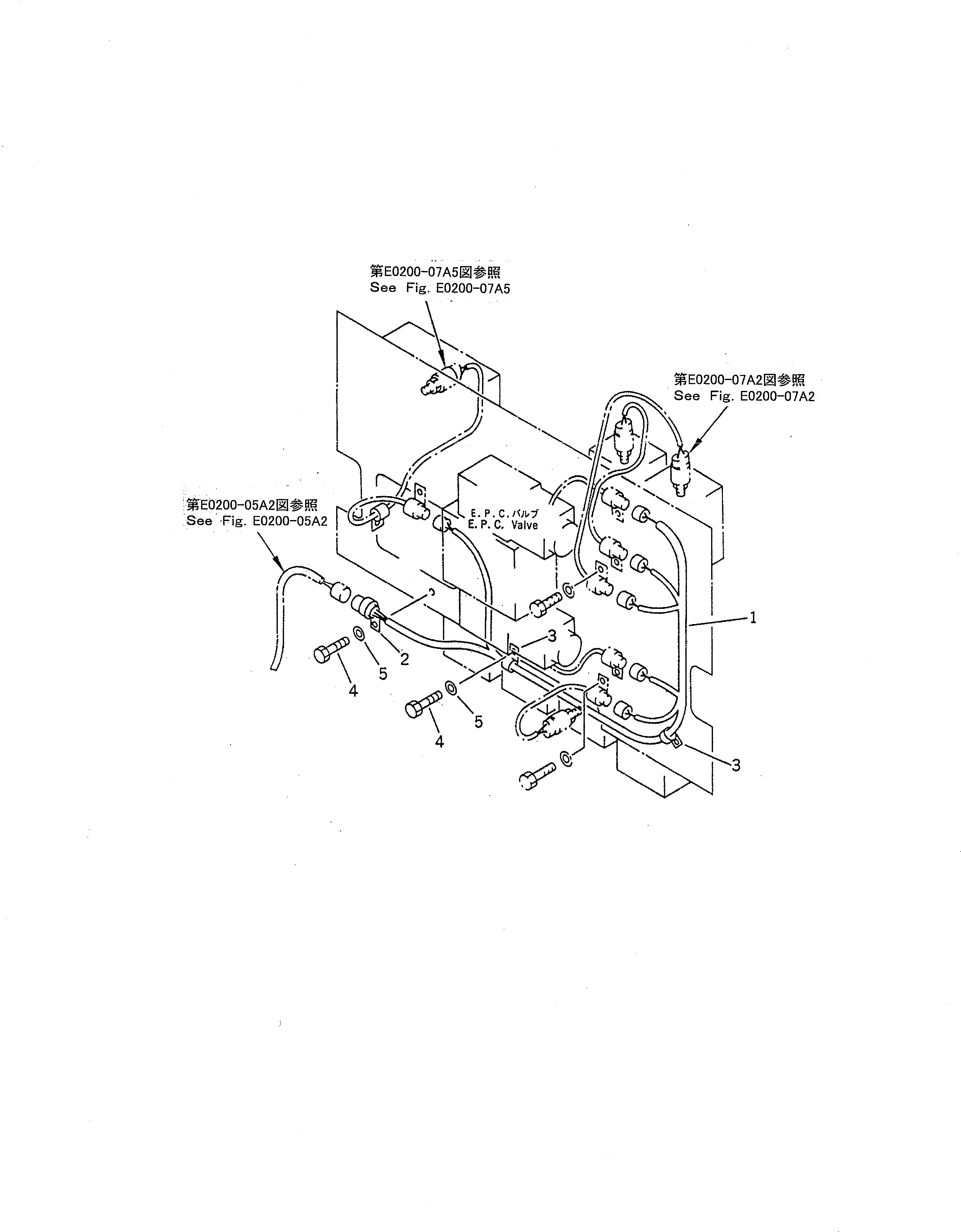
ЭЛЕКТРИКА (ЭЛЕКТРОПРОВОДКА) (AROUND СТОЙКА) (ДЛЯ ПОГРУЗ.)
№
Артикул
Название
Примечание
Количество
1
21T-06-71670
WIRING HARNESS
2
195-06-41840
CLIP
3
08036-01414
4
01010-81225
BOLT
5
01643-31232
WASHER
Выбрано товаров: 0