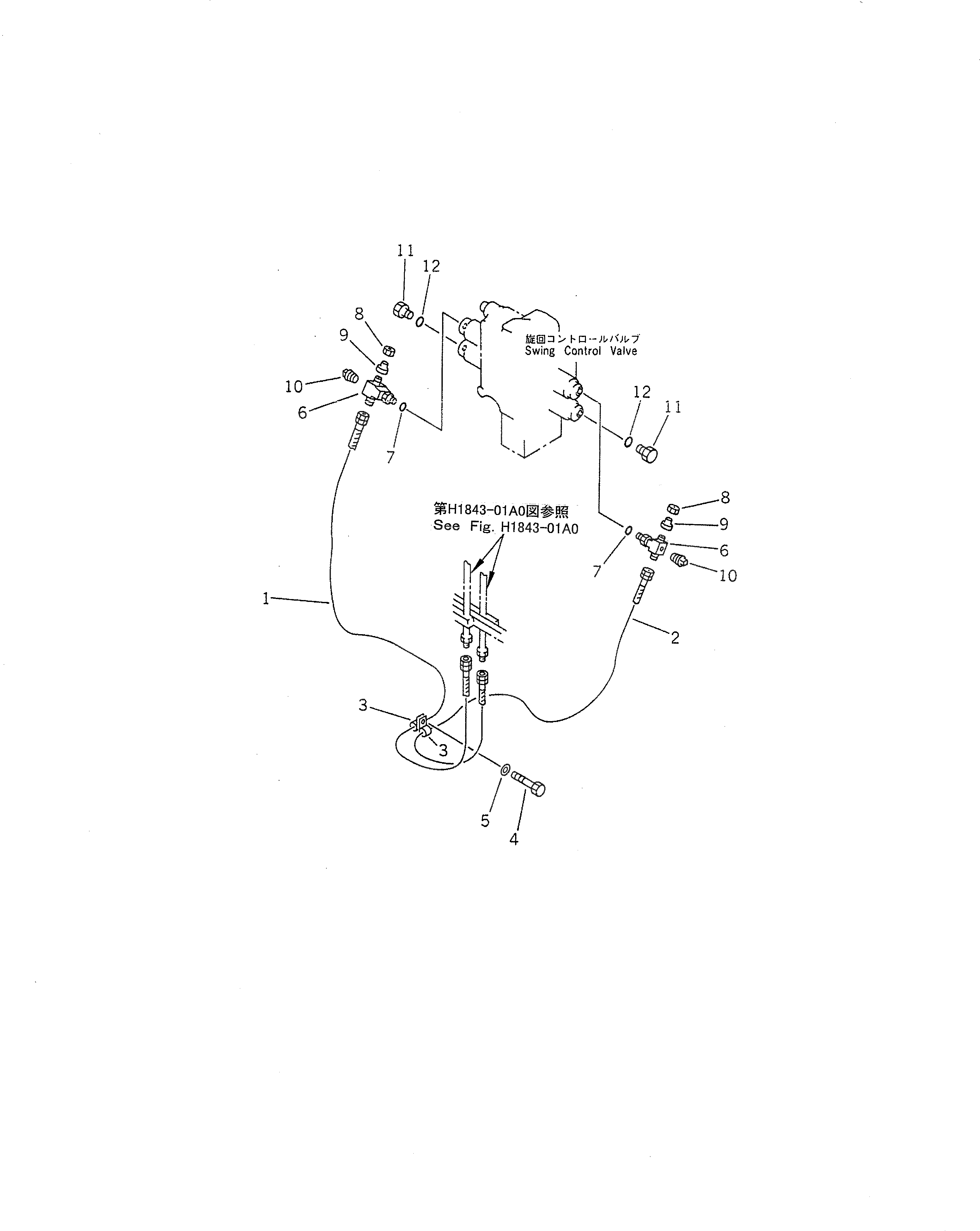
Запчасти Komatsu PC1600SP-1 ПОВОРОТН. УПРАВЛЯЮЩ. КЛАПАН ТРУБЫ ГИДРАВЛИКА

Схема запчастей Komatsu PC1600SP-1 - ПОВОРОТН. УПРАВЛЯЮЩ. КЛАПАН ТРУБЫ ГИДРАВЛИКА
FIT
1:1
100%

Артикул

Название

Примечание

Количество

1

07102-20314

HOSE

2

07102-20312

HOSE

3

04434-51812

CLIP

|3

08036-01814

CLIP

4

01010-81220

BOLT

|4

01010-51220

BOLT

5

01643-31232

WASHER

6

21T-62-76780

TEE

7

07002-02034

O-RING

8

07221-20315

NUT

9

07222-00312

PLUG

10

07042-30108

PLUG

11

07040-12012

PLUG

12

07002-02034

O-RING

Выбрано товаров: 14