Запчасти Komatsu PC1600SP-1 ОСНОВН. НАСОС (/8) (NO. НАСОС) ОСНОВН. КОМПОНЕНТЫ И РЕМКОМПЛЕКТЫ

Схема запчастей Komatsu PC1600SP-1 - ОСНОВН. НАСОС (/8) (NO. НАСОС) ОСНОВН. КОМПОНЕНТЫ И РЕМКОМПЛЕКТЫ
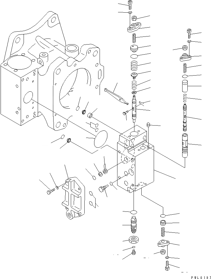
1
2
3
4
5
6
7
8
9
10
11
12
13
14
15
16
17
18
19
20
21
22
23
24
24
25
25
26
26
27
27
28
28
29
29
30
31
32
33
34
34
35
36
37
38
39
40
41
42
42
43
43
44
45
46
FIT
1:1
100%

Артикул

Название

Примечание

Количество

|1

708-25-03011

PUMP ASS'Y

|1

708-25-03010

PUMP ASS'Y

|1

708-25-08141

SERVO VALVE ASS'Y,FRONT

|1

708-23-07021

BODY ASS'Y

1

BODY

2

EXPANDER

3

708-25-15120

PISTON

4

708-25-15130

SEAT

5

708-25-55130

SPRING

6

708-25-55120

SPRING

7

708-23-15160

PLUG

8

708-23-15120

SEAT

9

07000-02018

O-RING

10

708-25-15150

COVER

11

01580-10806

NUT

12

708-25-15320

BOLT

13

01602-20619

WASHER,SPRING

14

708-25-15171

PLUG

15

07002-02034

O-RING

16

07239-12009

NUT

17

07040-11007

PLUG

18

07002-01023

O-RING

19

708-25-15180

SLEEVE

20

708-25-15280

SPOOL

21

708-25-15310

SPRING

22

708-25-15330

SPACER

23

708-25-15430

PLUG

24

708-25-15340

SCREW

25

07000-02012

O-RING

26

708-25-15250

COVER

27

01580-10806

NUT

28

708-25-15320

BOLT

29

01602-20619

WASHER

30

708-25-15260

PLUG

31

07002-00823

O-RING

32

708-25-15270

ARM

33

04205-00514

PIN

34

04050-01210

PIN,COTTER

35

708-25-55110

PLATE

36

720-68-11920

FILTER

37

07000-12010

O-RING

38

07000-02011

O-RING

39

01010-80825

BOLT

40

01602-20825

WASHER,SPRING

41

708-25-19150

ORIFICE

42

720-68-11920

FILTER

43

07000-12010

O-RING

44

07000-11009

O-RING

45

07000-03048

O-RING

46

708-25-15460

SHIM¤ 0.05MM

|46

708-25-15470

SHIM¤ 0.10MM

Выбрано товаров: 51