Запчасти Komatsu PC1600SP-1 NO. НАСОС - БЛОК ТРУБЫ¤ ПЕРЕДН. ГИДРАВЛИКА

Схема запчастей Komatsu PC1600SP-1 - NO. НАСОС - БЛОК ТРУБЫ¤ ПЕРЕДН. ГИДРАВЛИКА
FIT
1:1
100%

Артикул

Название

Примечание

Количество

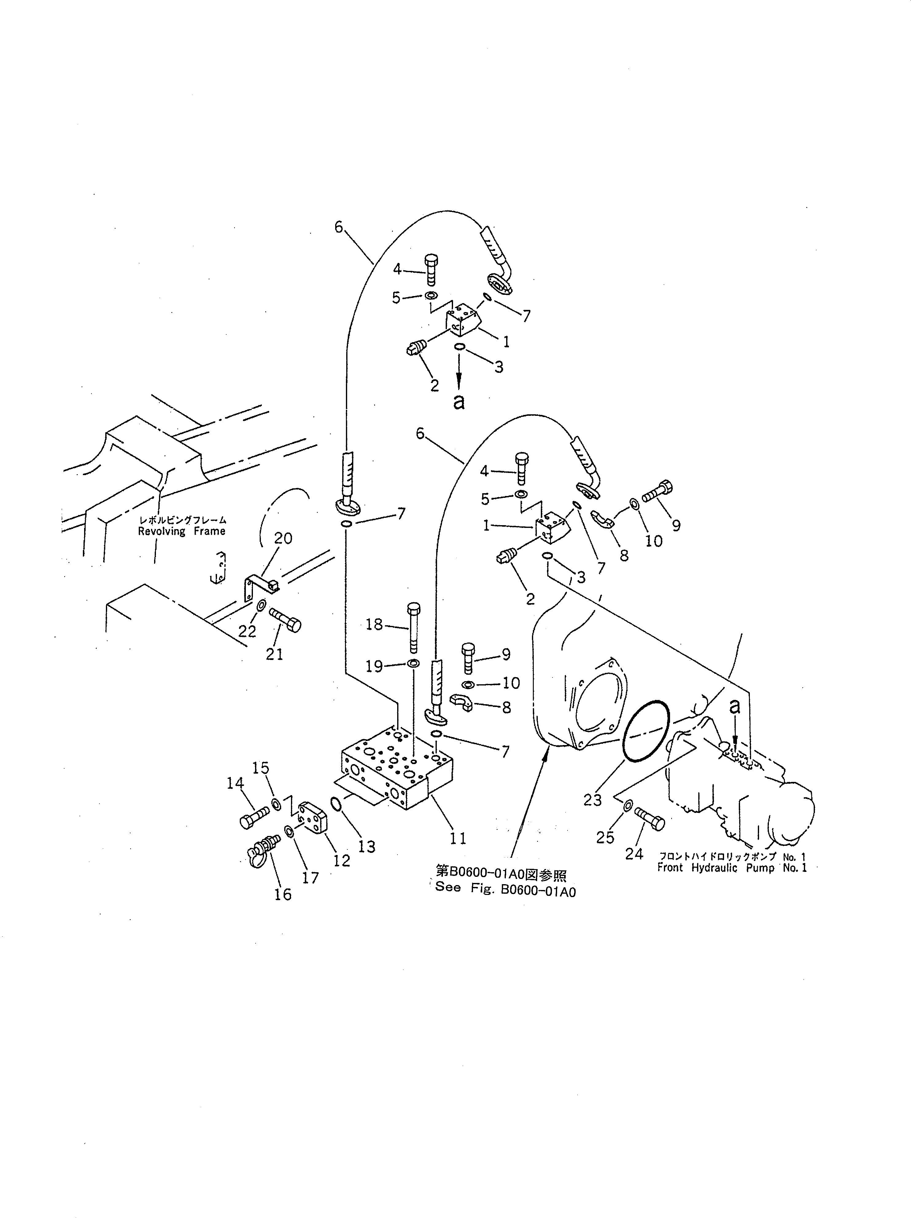
1

21T-62-71131

BLOCK

2

07042-30108

PLUG

3

07000-B3032

O-RING

|3

21T-09-11460

O-RING

4

01010-81085

BOLT

5

01643-31032

WASHER

6

07098-01015

HOSE

7

07000-B3032

O-RING

|7

21T-09-11460

O-RING

8

07371-31049

FLANGE

9

07372-21035

BOLT

10

01643-51032

WASHER

11

21T-62-71650

BLOCK

12

21T-62-71640

PLATE

13

07000-B3048

O-RING

|13

21T-09-11510

O-RING

14

01010-81455

BOLT

15

01643-31445

WASHER

16

720-68-15910

NIPPLE

17

720-68-15260

SEAL

18

01011-81215

BOLT

|18

01011-51215

BOLT

19

01643-31232

WASHER

20

21T-62-71432

BRACKET

21

01010-81225

BOLT

22

01643-31232

WASHER

23

07000-E5230

O-RING

|23

07000-35230

O-RING

24

01010-81650

BOLT

25

01643-31645

WASHER

Выбрано товаров: 30