Запчасти Komatsu PC1600SP-1 ВОЗВРАТ. ТРУБЫ (ДЛЯ ЛИНИЯ ПОВОРОТА) (/) ГИДРАВЛИКА

Схема запчастей Komatsu PC1600SP-1 - ВОЗВРАТ. ТРУБЫ (ДЛЯ ЛИНИЯ ПОВОРОТА) (/) ГИДРАВЛИКА
FIT
1:1
100%

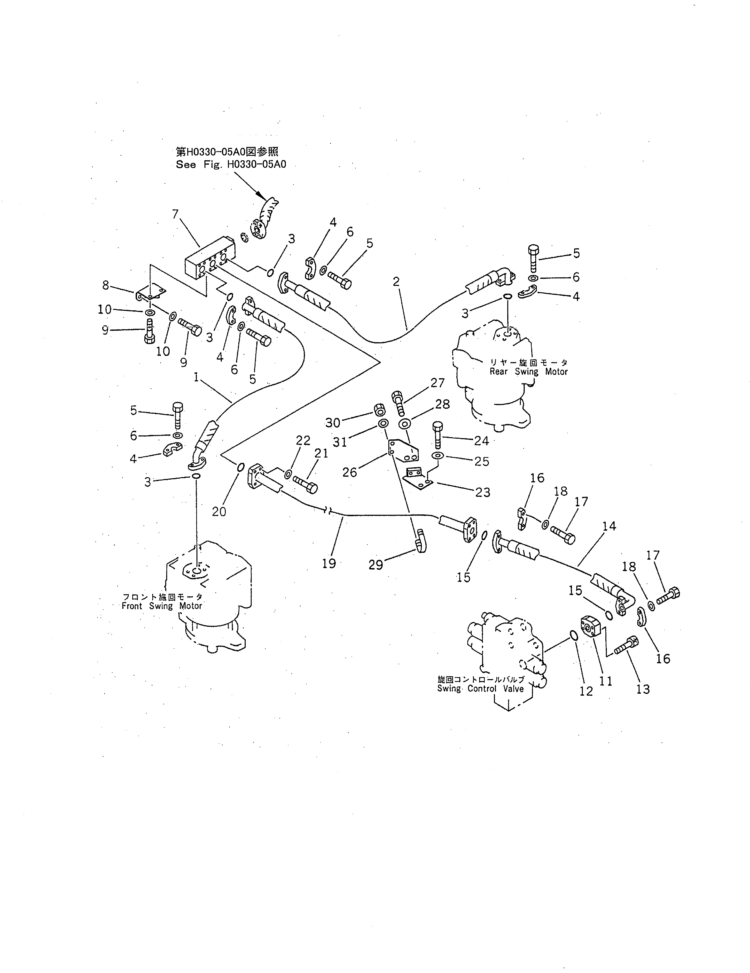
Артикул

Название

Примечание

Количество

1

07297-01414

HOSE

2

07298-01414

HOSE

3

07000-13048

O-RING

|3

07000-03048

O-RING

4

07371-31465

FLANGE,SPLIT

5

07372-21240

BOLT

6

01643-51232

WASHER

7

21T-60-72301

VALVE ASS'Y,(SEE FIG.H0330-03A0)

8

21T-62-76260

BRACKET

9

01010-81230

BOLT

10

01643-31232

WASHER

11

21T-62-72821

FLANGE

12

07000-12060

O-RING

|12

07000-02060

O-RING

13

01252-41255

BOLT

14

07298-01407

HOSE

15

07000-13048

O-RING

|15

07000-03048

O-RING

16

07371-31465

FLANGE,SPLIT

17

07372-21240

BOLT

18

01643-51232

WASHER

19

21T-62-76471

TUBE

20

07000-13045

O-RING

|20

07000-03045

O-RING

21

07372-21240

BOLT

22

01643-51232

WASHER

23

21T-62-76480

BRACKET

24

01010-81230

BOLT

25

175-54-34170

WASHER

26

21T-62-76490

PLATE

27

01010-81230

BOLT

28

175-54-34170

WASHER

29

07283-34346

CLIP

30

01599-01011

NUT

31

01643-31032

WASHER

Выбрано товаров: 35