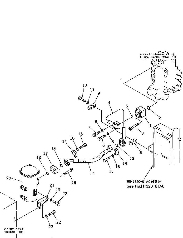
Запчасти Komatsu PC1600SP-1 4-Х СЕКЦИОНН. УПРАВЛЯЮЩ. КЛАПАН¤ ПРАВ. - ОСНОВН. ФИЛЬТР. ТРУБЫ ГИДРАВЛИКА

Схема запчастей Komatsu PC1600SP-1 - 4-Х СЕКЦИОНН. УПРАВЛЯЮЩ. КЛАПАН¤ ПРАВ. - ОСНОВН. ФИЛЬТР. ТРУБЫ ГИДРАВЛИКА
FIT
1:1
100%

Артикул

Название

Примечание

Количество

1

21T-62-76301

VALVE ASS'Y,(SEE FIG.H0330-01A0)

2

07000-12060

O-RING

|2

07000-02060

O-RING

3

01253-41215

BOLT

4

21T-62-76361

TUBE

5

07000-13045

O-RING

|5

07000-03045

O-RING

6

01010-81470

BOLT

7

01010-81490

BOLT

8

01643-31445

WASHER

9

176-61-41330

CLAMP

10

01010-81285

BOLT

11

01643-31232

WASHER

12

07297-01410

HOSE

13

07000-13048

O-RING

|13

07000-03048

O-RING

14

07371-31465

FLANGE,SPLIT

15

07372-21240

BOLT

16

01643-51232

WASHER

17

21T-62-76130

BLOCK

18

07000-13048

O-RING

|18

07000-03048

O-RING

19

01252-41240

BOLT

20

21T-60-72200

MAIN FILTER ASS'Y,(SEE FIG.H0110-02A0)

21

209-62-56180

BRACKET

22

01010-81230

BOLT

23

01643-31232

WASHER

Выбрано товаров: 27