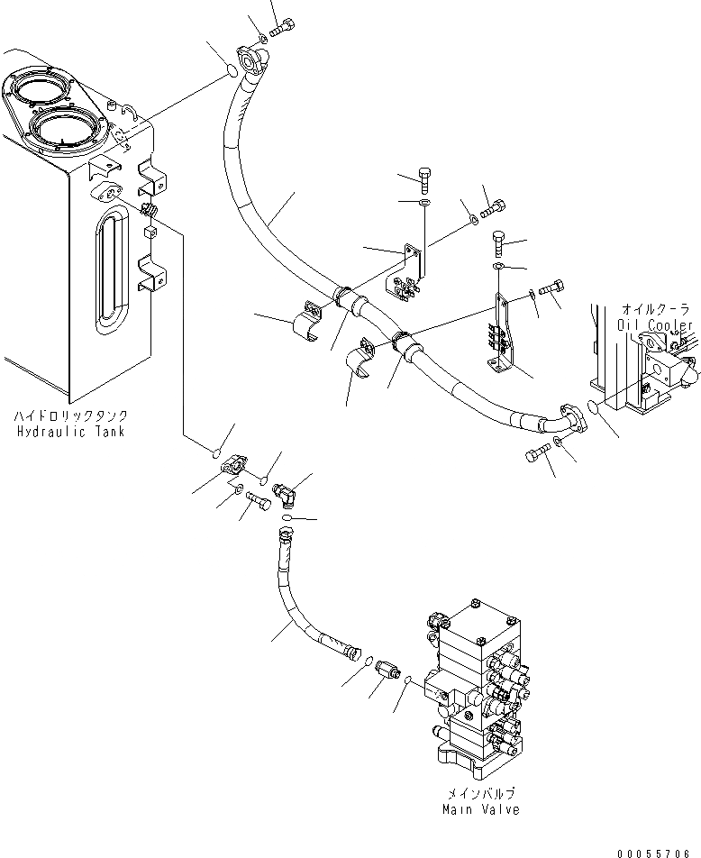
Запчасти Komatsu PC160LC-7-E0 ЛИНИЯ МАСЛООХЛАДИТЕЛЯ(ДЛЯ KA) ГИДРАВЛИКА

Схема запчастей Komatsu PC160LC-7-E0 - ЛИНИЯ МАСЛООХЛАДИТЕЛЯ(ДЛЯ KA) ГИДРАВЛИКА
1
2
3
3
4
4
5
5
6
6
7
7
8
8
9
10
10
11
12
13
14
15
16
17
18
19
20
21
22
23
24
25
FIT
1:1
100%

Артикул

Название

Примечание

Количество

1

21K-62-71281

BRACKET

2

21K-62-71271

BRACKET

3

01010-81225

BOLT

4

01643-31232

WASHER

5

21K-62-72810

CLAMP

6

07095-01245

CUSHION

7

01010-81230

BOLT

8

01643-31232

WASHER

9

21K-62-75180

HOSE¤ 2150MM

10

07000-13048

O-RING

11

01010-81235

BOLT

12

01643-31232

WASHER

13

01010-81240

BOLT

14

01643-31232

WASHER

15

22U-62-21480

NIPPLE

16

02896-11018

O-RING

17

07002-12434

O-RING

18

21K-62-71340

PLATE

19

07000-13035

O-RING

20

01010-81030

BOLT

21

01643-31032

WASHER

22

02782-10628

ELBOW

23

02896-11018

O-RING

24

07002-12434

O-RING

25

02762-00605

HOSE

Выбрано товаров: 25