Качественные детали и логистика
Оригинальные и аналоговые запчасти с доставкой по России, Казахстану и Беларуси
©2022 PartSell ООО "Система" ИНН 2463123282 ОГРН 1212400004838
Центральный офис: г. Красноярск, Академика Киренского, д.87, пом.4
Телефон: 8 (800) 777-65-74 Email: zakaz@partsell.ru
ВОЗВРАТ. ЛИНИЯ
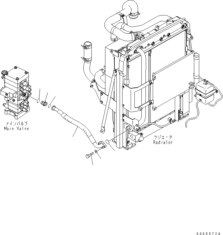
№
Артикул
Название
Примечание
Количество
1
207-62-72110
UNION
2
207-62-64740
O-RING
3
07002-13334
4
21K-62-71210
HOSE¤ 680MM
5
07000-13038
6
01010-81035
BOLT
7
01643-31032
WASHER
Выбрано товаров: 0