Запчасти Komatsu PC160LC-7 ТОПЛИВН. БАК. ТОПЛИВН. БАК. AND КОМПОНЕНТЫ

Схема запчастей Komatsu PC160LC-7 - ТОПЛИВН. БАК. ТОПЛИВН. БАК. AND КОМПОНЕНТЫ
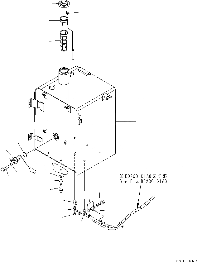
1
2
3
4
5
6
7
8
9
10
11
12
13
14
15
16
17
18
19
20
FIT
1:1
100%

Артикул

Название

Примечание

Количество

1

21K-04-71111

TANK

2

07700-50240

VALVE

3

22U-04-21120

TEE

4

07043-A0108

PLUG

5

20Y-04-11161

CAP

5

20Y-04-11160

CAP

5

20Y-04-11161

CAP

5

20Y-04-11160

CAP

5

20Y-04-11240

PACKING

6

7861-92-5810

SENSOR

7

07000-13050

O-RING

8

01010-80612

BOLT

9

01643-30623

WASHER

|$21

22U-04-21241

STRAINER ASS'Y

|$22

22U-04-21240

STRAINER ASS'Y

|$23

22U-04-21200

FLOAT ASS'Y

10

22U-04-21210

GUIDE

11

20Y-04-21580

CAP

12

22U-04-21220

FLOAT

13

07056-18425

STRAINER

13

22U-04-21231

STRAINER

14

20Y-04-21131

ELBOW

15

20Y-04-21141

TUBE

16

07005-00812

GASKET

17

07206-30508

BOLT

18

01010-81635

BOLT

19

01643-31645

WASHER

20

195-03-11570

SHIM, 1.0MM

Выбрано товаров: 28