Запчасти Komatsu PC160LC-7 ЭЛЕКТРОПРОВОДКА (ПРОВОДКА СТАРТЕРА)(№-) ЭЛЕКТРИКА

Схема запчастей Komatsu PC160LC-7 - ЭЛЕКТРОПРОВОДКА (ПРОВОДКА СТАРТЕРА)(№-) ЭЛЕКТРИКА
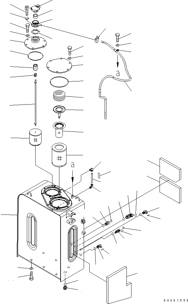
1
2
3
3
4
5
6
7
8
9
10
11
12
13
14
15
16
17
18
19
20
21
22
23
24
25
26
27
28
29
30
31
1
1
2
2
3
4
5
6
7
8
9
10
11
12
13
14
15
16
17
18
19
20
20
20
20
21
21
21
22
22
22
23
24
24
25
25
26
27
28
29
30
31
32
33
34
35
36
37
38
39
FIT
1:1
100%

Артикул

Название

Примечание

Количество

1

21K-06-71171

CABLE

2

08038-00035

CAP

3

08038-00519

CAP

4

08088-30000

SWITCH

5

01010-80830

BOLT

6

01643-30823

WASHER

7

21K-06-71181

BRACKET

8

205-03-71440

SHEET

9

01010-81225

BOLT

10

01643-31232

WASHER

11

21K-06-71281

BRACKET

12

01010-81025

BOLT

13

01643-31032

WASHER

14

01010-81020

BOLT

15

01643-31032

WASHER

16

21K-06-71291

BRACKET

17

01010-81025

BOLT

18

01643-31032

WASHER

19

201-54-13210

GROMMET

20

04434-51712

CLIP

21

01010-81225

BOLT

22

01643-31232

WASHER

23

08028-43030

CABLE

24

01010-81020

BOLT

25

01643-31032

WASHER

26

600-815-8941

RELAY

27

01010-80820

BOLT

28

01643-30823

WASHER

29

01010-80820

BOLT

30

01643-30823

WASHER

31

01010-81240

BOLT

32

01643-31232

WASHER

33

01010-80620

BOLT

34

01643-30623

WASHER

35

08038-00519

CAP

36

08038-06031

CAP

37

21K-06-71251

CABLE

38

600-815-2170

SWITCH

39

203-06-61730

BRACKET

Выбрано товаров: 39