Качественные детали и логистика
Оригинальные и аналоговые запчасти с доставкой по России, Казахстану и Беларуси
©2022 PartSell ООО "Система" ИНН 2463123282 ОГРН 1212400004838
Центральный офис: г. Красноярск, Академика Киренского, д.87, пом.4
Телефон: 8 (800) 777-65-74 Email: zakaz@partsell.ru
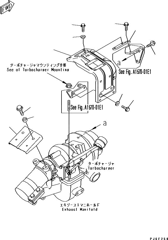
КОРПУС & КРЫШКАДЛЯ ТЕРМОЗАЩИТА
№
Артикул
Название
Примечание
Количество
1
6732-81-8430
BRACKET
2
01435-00816
BOLT
3
6737-81-8510
COVER
4
5
6201-81-6560
SPACER
6
6732-81-8451
|6
6732-81-8450
7
01435-00820
8
6131-12-4570
Выбрано товаров: 0