Запчасти Komatsu PC160LC-7E0 ОСНОВН. КОНСТРУКЦИЯ (КАБИНА) (ПАНЕЛЬ) (ДЛЯ KAL)(№9-) КАБИНА ОПЕРАТОРА И СИСТЕМА УПРАВЛЕНИЯ

Схема запчастей Komatsu PC160LC-7E0 - ОСНОВН. КОНСТРУКЦИЯ (КАБИНА) (ПАНЕЛЬ) (ДЛЯ KAL)(№9-) КАБИНА ОПЕРАТОРА И СИСТЕМА УПРАВЛЕНИЯ
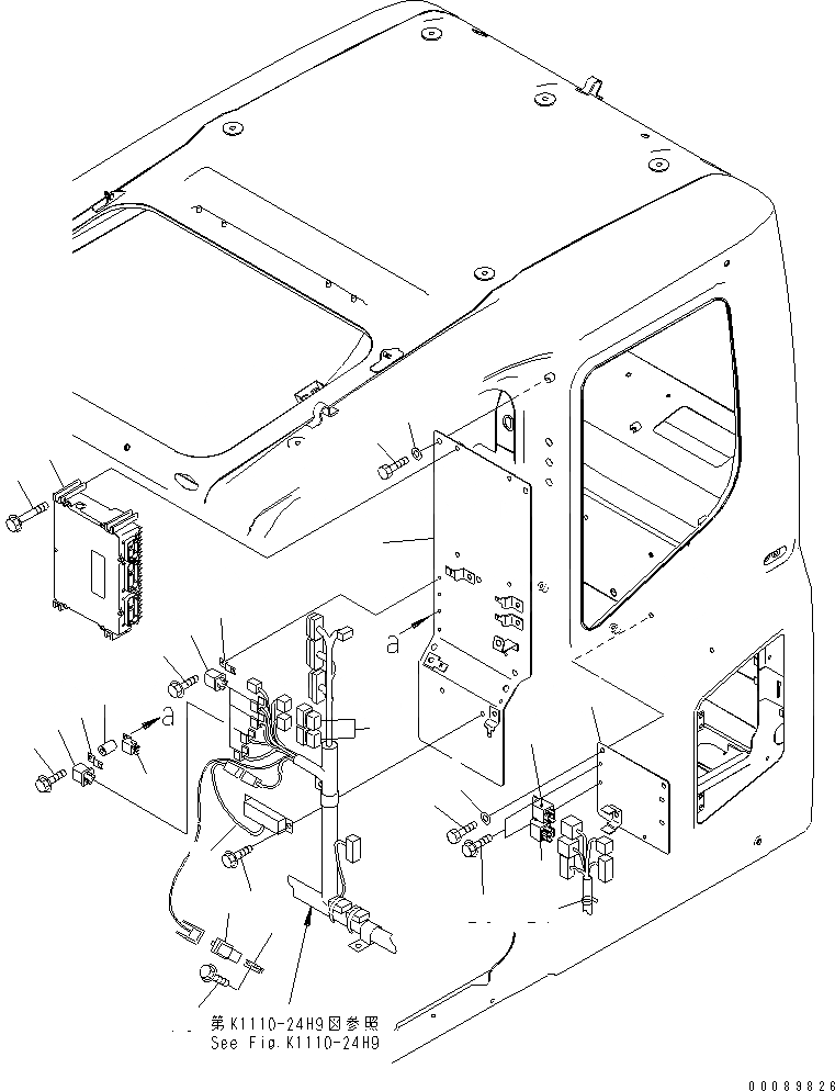
1
2
3
4
5
6
7
8
8
8
9
9
9
10
10
11
12
13
14
15
16
17
18
19
20
21
FIT
1:1
100%

Артикул

Название

Примечание

Количество

1

208-53-12860

PLATE

2

01010-80816

BOLT

3

01643-30823

WASHER

4

7835-42-1000

CONTROLLER

5

01435-00885

BOLT

6

7861-94-3000

RESISTOR

7

01435-00816

BOLT

8

569-06-61960

RELAY

9

287-06-16420

BRACKET

10

01435-00610

BOLT

11

8233-06-3350

DIODE

12

21K-54-72920

PIPE

13

01435-00640

BOLT

14

7861-74-5100

RELAY

15

208-53-12880

BRACKET

16

01010-80816

BOLT

17

01643-30823

WASHER

18

198-911-9240

RELAY, 4-TERMINAL

19

20Y-979-6771

RELAY

20

01435-00610

BOLT

21

08059-00515

CLIP

Выбрано товаров: 21