Запчасти Komatsu PC160LC-7E0 БЫСТРОСЪЕМН. МЕХ-М ЛИНИЯ(№-) ГИДРАВЛИКА

Схема запчастей Komatsu PC160LC-7E0 - БЫСТРОСЪЕМН. МЕХ-М ЛИНИЯ(№-) ГИДРАВЛИКА
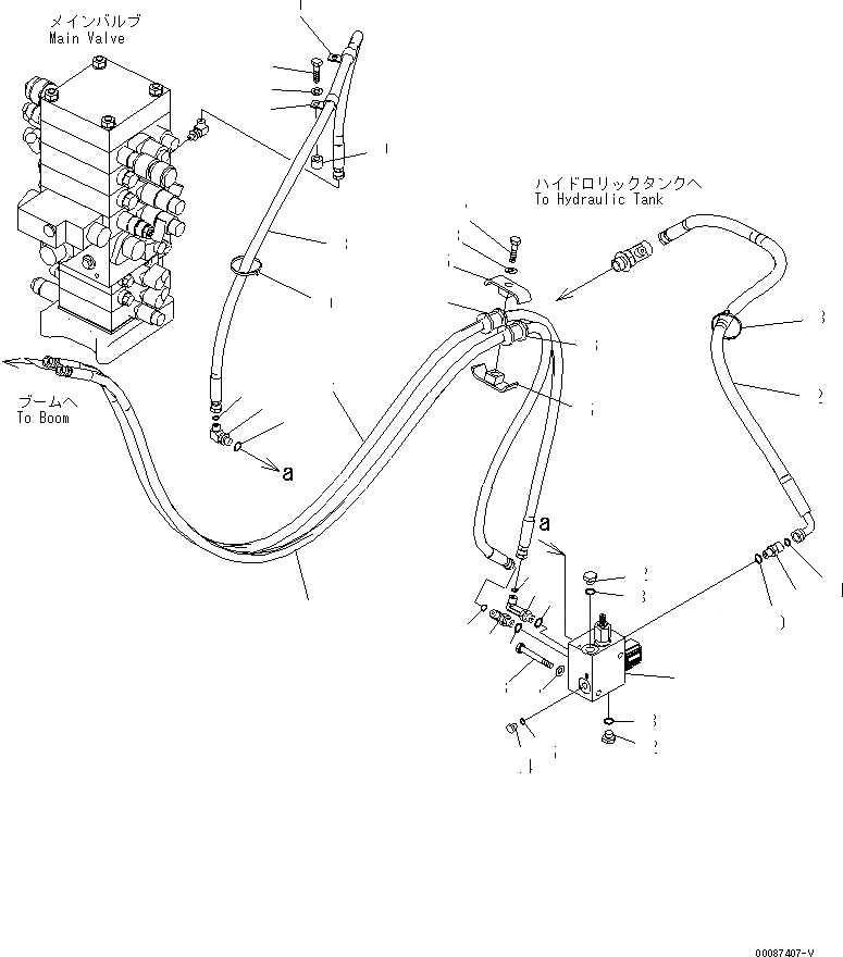
1
2
3
4
4
5
5
6
7
8
9
10
11
12
12
13
13
14
15
16
17
18
19
20
21
22
23
24
24
25
25
26
26
27
28
29
30
30
FIT
1:1
100%

Артикул

Название

Примечание

Количество

1

20J-62-13141

VALVE ASS'Y,(SEE FIG. Y1673-01H0)

2

02782-10210

ELBOW

3

02782-1021A

ELBOW

4

07002-11423

O-RING

5

02896-11008

O-RING

6

207-62-72120

ELBOW

7

07002-11423

O-RING

8

02896-11008

O-RING

9

02781-0031D

UNION

10

07002-11423

O-RING

11

02896-11009

O-RING

12

07040-11409

PLUG

13

07002-11423

O-RING

14

07040-11007

PLUG

15

07002-11023

O-RING

16

01010-81080

BOLT

17

01643-31032

WASHER

18

21K-973-7471

HOSE

19

201-03-29160

SPACER

20

01010-81040

BOLT

21

01643-31032

WASHER

22

21K-973-7481

HOSE

23

08034-20519

BAND

24

21K-973-7590

HOSE

25

07094-30315

CLAMP

26

07095-00314

CUSHION

27

01010-81260

BOLT

28

01643-31232

WASHER

29

08034-20519

BAND

30

04434-51710

CLIP

Выбрано товаров: 30