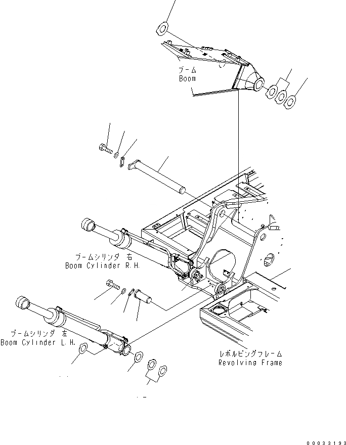
Запчасти Komatsu PC160LC-7E0 ПАЛЕЦ СТРЕЛЫ(100 ЧАСОВ СИСТ. СМАЗКИ) ОСНОВНАЯ РАМА И ЕЕ ЧАСТИ

Схема запчастей Komatsu PC160LC-7E0 - ПАЛЕЦ СТРЕЛЫ(100 ЧАСОВ СИСТ. СМАЗКИ) ОСНОВНАЯ РАМА И ЕЕ ЧАСТИ
1
2
3
4
5
5
6
7
7
8
9
10
11
11
12
FIT
1:1
100%

Артикул

Название

Примечание

Количество

1

21K-70-71160

PIN

2

205-70-71310

PLATE

3

01010-81235

BOLT

4

01643-31232

WASHER

5

205-70-51450

SPACER, 1.0MM

6

21K-70-31370

SPACER, 0.5MM

7

21K-70-71170

PIN

8

205-70-66580

PLATE

9

01010-81230

BOLT

10

01643-31232

WASHER

11

21Y-70-14830

SPACER, 1.0MM

12

21Y-70-14840

SPACER, 2.0MM

Выбрано товаров: 12