Запчасти Komatsu PC160LC-7K-KA МАСЛООХЛАДИТЕЛЬ ЛИНИЯ ГИДРАВЛИКА

Схема запчастей Komatsu PC160LC-7K-KA - МАСЛООХЛАДИТЕЛЬ ЛИНИЯ ГИДРАВЛИКА
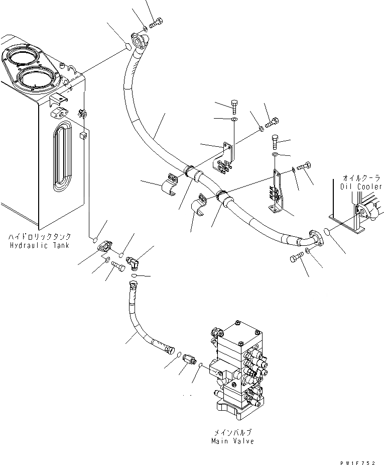
1
2
3
3
4
4
5
5
6
6
7
7
8
8
9
10
10
11
11
12
12
13
14
15
16
17
18
19
20
21
22
23
FIT
1:1
100%

Артикул

Название

Примечание

Количество

1

21K-62-71281

BRACKET

2

21K-62-71271

BRACKET

3

01010-81225

BOLT

4

01643-31232

WASHER

5

21K-62-72810

CLAMP

6

07095-01241

CUSHION

7

01010-81230

BOLT

8

01643-31232

WASHER

9

21K-62-71221

HOSE

10

07000-13038

O-RING

11

01010-81035

BOLT

12

01643-31032

WASHER

13

22U-62-21480

NIPPLE

14

02896-11018

O-RING

15

07002-12434

O-RING

16

21K-62-71340

PLATE

17

07000-13035

O-RING

18

01010-81030

BOLT

19

01643-31032

WASHER

20

02782-10628

ELBOW

21

02896-11018

O-RING

22

07002-12434

O-RING

23

02762-00605

HOSE

Выбрано товаров: 0