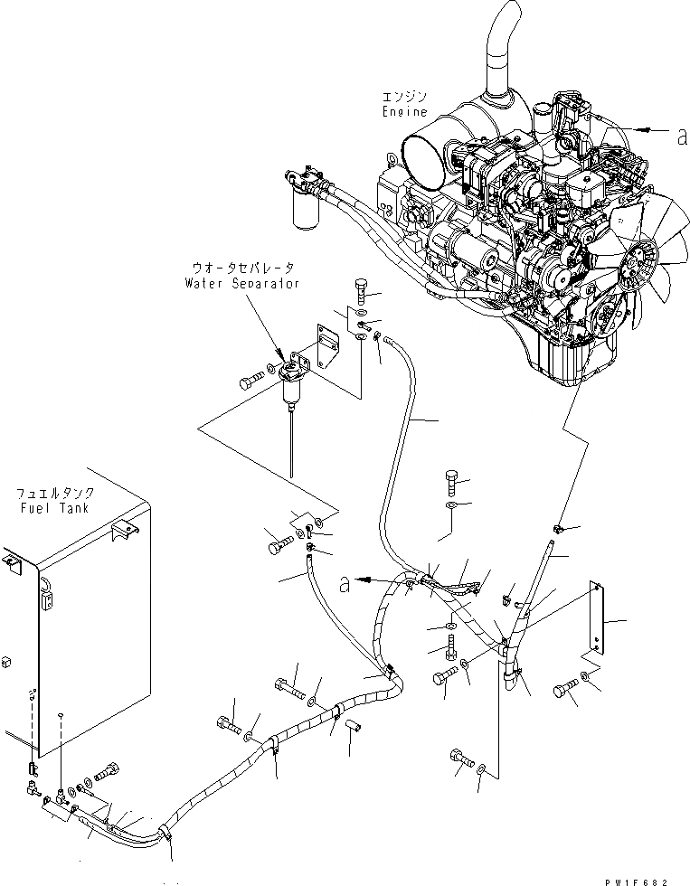
Запчасти Komatsu PC160LC-7K ТОПЛИВН. ЛИНИЯ (ТОПЛИВН. ШЛАНГИ) (С ВОДООТДЕЛИТЕЛЕМ) ТОПЛИВН. БАК. AND КОМПОНЕНТЫ

Схема запчастей Komatsu PC160LC-7K - ТОПЛИВН. ЛИНИЯ (ТОПЛИВН. ШЛАНГИ) (С ВОДООТДЕЛИТЕЛЕМ) ТОПЛИВН. БАК. AND КОМПОНЕНТЫ
1
1
2
2
3
3
4
4
5
6
6
6
6
6
7
7
8
8
9
9
10
10
11
11
11
11
12
12
13
13
14
15
16
17
18
19
20
21
22
23
24
25
26
27
28
29
FIT
1:1
100%

Артикул

Название

Примечание

Количество

1

07270-50429

TUBE

2

07288-01016

HOSE

3

07288-01034

HOSE

4

07288-01025

HOSE

5

08017-31005

CONDUIT

6

07281-00197

CLAMP

7

07285-00080

CLIP

8

205-04-62150

JOINT

9

07206-31014

BOLT

10

07005-01412

GASKET

11

04435-51912

CLIP

12

01010-81225

BOLT

13

01643-31232

WASHER

14

04434-53212

CLIP

15

154-979-1480

COLLAR

16

01010-81275

BOLT

17

01643-31232

WASHER

18

20Y-04-31160

BRACKET

19

01010-81225

BOLT

20

01643-31232

WASHER

21

04435-51912

CLIP

22

01010-81225

BOLT

23

01643-31232

WASHER

24

04435-51910

CLIP

25

01010-81016

BOLT

26

01643-31032

WASHER

27

04434-51012

CLIP

28

01010-81225

BOLT

29

01643-31232

WASHER

Выбрано товаров: 29