Запчасти Komatsu PC160LC-7K ОСНОВН. КЛАПАН (7-КЛАПАН) (8/9) ОСНОВН. КОМПОНЕНТЫ И РЕМКОМПЛЕКТЫ

Схема запчастей Komatsu PC160LC-7K - ОСНОВН. КЛАПАН (7-КЛАПАН) (8/9) ОСНОВН. КОМПОНЕНТЫ И РЕМКОМПЛЕКТЫ
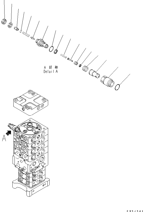
1
2
3
4
5
6
7
8
9
10
11
12
13
14
15
16
17
FIT
1:1
100%

Артикул

Название

Примечание

Количество

|1

723-57-16100

CONTROL VALVE

|1

723-51-03200

VALVE ASS'Y

|1

723-90-61400

VALVE ASS'Y,SUCTION AND SAFETY

1

SLEEVE

2

SLEEVE

3

POPPET

4

PISTON

5

PLUG

6

POPPET

7

SPACER

8

SPRING

9

SPRING

10

SPRING

11

SEAL

12

SEAL

13

07000-13024

O-RING

14

O-RING

15

O-RING

16

NUT

17

NUT

Выбрано товаров: 0