Качественные детали и логистика
Оригинальные и аналоговые запчасти с доставкой по России, Казахстану и Беларуси
©2022 PartSell ООО "Система" ИНН 2463123282 ОГРН 1212400004838
Центральный офис: г. Красноярск, Академика Киренского, д.87, пом.4
Телефон: 8 (800) 777-65-74 Email: zakaz@partsell.ru
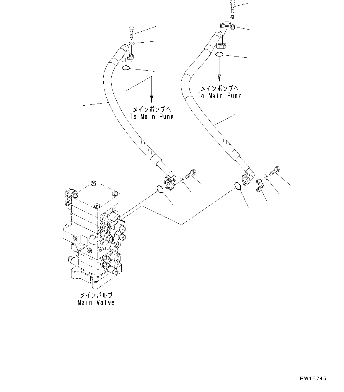
ПОДАЮЩ. ТРУБЫ
№
Артикул
Название
Примечание
Количество
1
21K-62-75160
Hose
2
07000-13032
O-ring
3
07000-13025
4
21K-62-75170
5
6
7
07372-21035
Bolt
8
01643-51032
Washer
9
07371-31049
Flange, Split
10
07371-30640
Выбрано товаров: 0