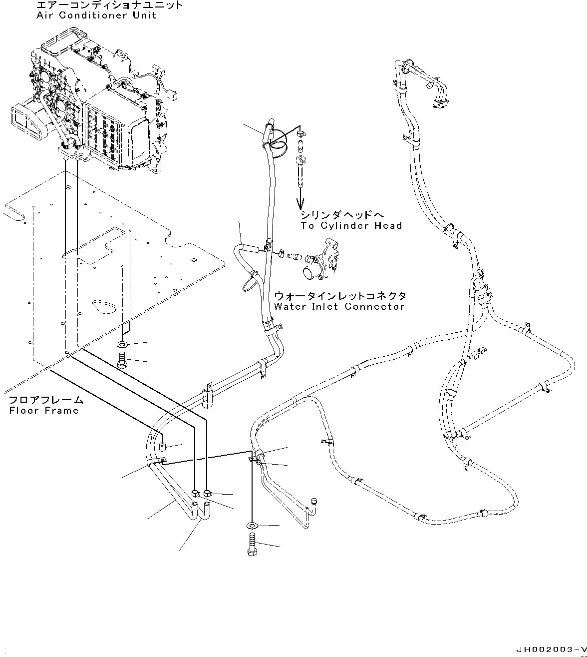
Запчасти Komatsu PC160LC-8 КАБИНА, ПОЛ, ШЛАНГИ ОБОГРЕВАТЕЛЯ КАБИНА ОПЕРАТОРА И СИСТЕМА УПРАВЛЕНИЯ

Схема запчастей Komatsu PC160LC-8 - КАБИНА, ПОЛ, ШЛАНГИ ОБОГРЕВАТЕЛЯ КАБИНА ОПЕРАТОРА И СИСТЕМА УПРАВЛЕНИЯ
4
2
7
6
5
8
9
12
3
3
1
1
10
11
FIT
1:1
100%

Артикул

Название

Примечание

Количество

1

21K-979-7623

Hose Assembly

2

09479-02400

Clip

3

21K-979-7612

Hose Assembly

4

09479-02400

Clip

5

04434-52110

Clip

6

04434-52511

Clip

7

195-33-11220

Spacer

8

01010-81045

Bolt

9

01643-31032

Washer

10

01010-81016

Bolt

11

01643-31032

Washer

12

141-06-11220

Clip

Выбрано товаров: 0