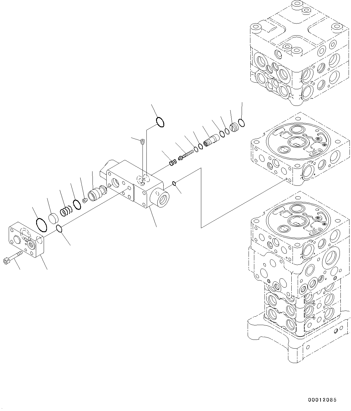
Запчасти Komatsu PC160LC-8 ОСНОВН. УПРАВЛЯЮЩ. КЛАПАН, ДЛЯ MACHINE С -СЕРВИСНЫЙ КЛАПАН, 7-СЕКЦИОНН., ВНУТР. ЧАСТИ (/9) ГИДРАВЛИКА

Схема запчастей Komatsu PC160LC-8 - ОСНОВН. УПРАВЛЯЮЩ. КЛАПАН, ДЛЯ MACHINE С -СЕРВИСНЫЙ КЛАПАН, 7-СЕКЦИОНН., ВНУТР. ЧАСТИ (/9) ГИДРАВЛИКА
5
3
2
22
21
20
19
18
17
16
15
14
13
12
11
10
9
8
7
6
1
4
FIT
1:1
100%

Артикул

Название

Примечание

Количество

|1

723-57-16401

Valve, Control

|1

723-50-53300

Valve Assembly

3

702-21-35130

Seal

4

723-30-51130

Orifice

5

723-50-53380

Spring

7

07000-12010

O-ring

8

07001-02010

Ring, Back-up

9

07000-12012

O-ring

10

07001-02012

Ring, Back-up

12

07000-12016

O-ring

14

723-50-53350

Spring

15

723-50-53270

Plate

16

723-50-53260

Retainer

17

07000-12015

O-ring

18

07000-13030

O-ring

19

01252-60630

Bolt, Hexagon Socket Head

21

700-13-31161

O-ring

22

07000-11007

O-ring

Выбрано товаров: 18