Качественные детали и логистика
Оригинальные и аналоговые запчасти с доставкой по России, Казахстану и Беларуси
©2022 PartSell ООО "Система" ИНН 2463123282 ОГРН 1212400004838
Центральный офис: г. Красноярск, Академика Киренского, д.87, пом.4
Телефон: 8 (800) 777-65-74 Email: zakaz@partsell.ru
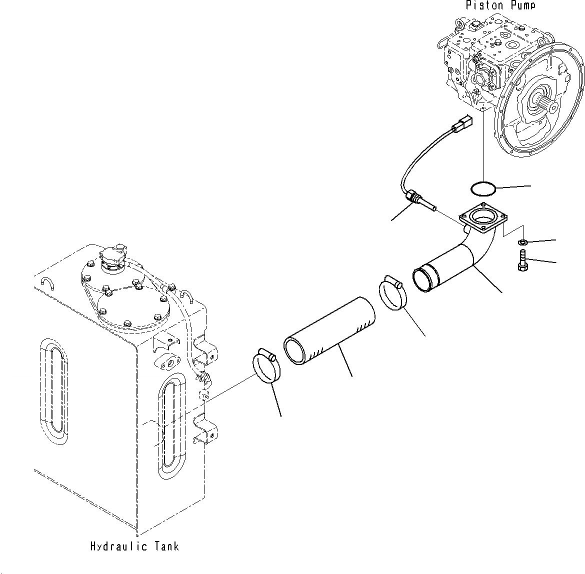
ВСАСЫВ. ТРУБЫ
№
Артикул
Название
Примечание
Количество
1
21K-62-71111
TUBE
2
07000-12100
O-RING
3
7861-93-3320
SENSOR
4
07260-08732
HOSE
5
20Y-62-51671
CLAMP
6
01010-81235
BOLT
7
01643-31232
WASHER
Выбрано товаров: 0