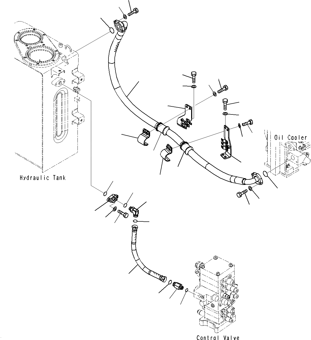
Запчасти Komatsu PC160LC-8 ЛИНИИ МАСЛООХЛАДИТЕЛЯ H

Схема запчастей Komatsu PC160LC-8 - ЛИНИИ МАСЛООХЛАДИТЕЛЯ H
11
12
10
3
7
9
8
4
3
1
4
5
7
8
6
2
6
19
5
24
10
22
14
13
18
21
23
20
25
16
15
17
FIT
1:1
100%

Артикул

Название

Примечание

Количество

1

21K-62-71281

BRACKET

2

21K-62-71271

BRACKET

3

01010-81225

BOLT

4

01643-31232

WASHER

5

21K-62-72810

CLAMP

6

07095-01245

CUSHION

7

01010-81230

BOLT

8

01643-31232

WASHER

9

21K-62-75180

HOSE

10

07000-13048

O-RING

11

01010-81235

BOLT

12

01643-31232

WASHER

13

01010-81240

BOLT

14

01643-31232

WASHER

15

22U-62-21480

NIPPLE

16

02896-11018

O-RING

17

07002-12434

O-RING

18

21K-62-71340

PLATE

19

07000-13035

O-RING

20

01010-81030

BOLT

21

01643-31032

WASHER

22

02782-10628

ELBOW

23

02896-11018

O-RING

24

07002-12434

O-RING

25

02762-00605

HOSE

Выбрано товаров: 25