Качественные детали и логистика
Оригинальные и аналоговые запчасти с доставкой по России, Казахстану и Беларуси
©2022 PartSell ООО "Система" ИНН 2463123282 ОГРН 1212400004838
Центральный офис: г. Красноярск, Академика Киренского, д.87, пом.4
Телефон: 8 (800) 777-65-74 Email: zakaz@partsell.ru
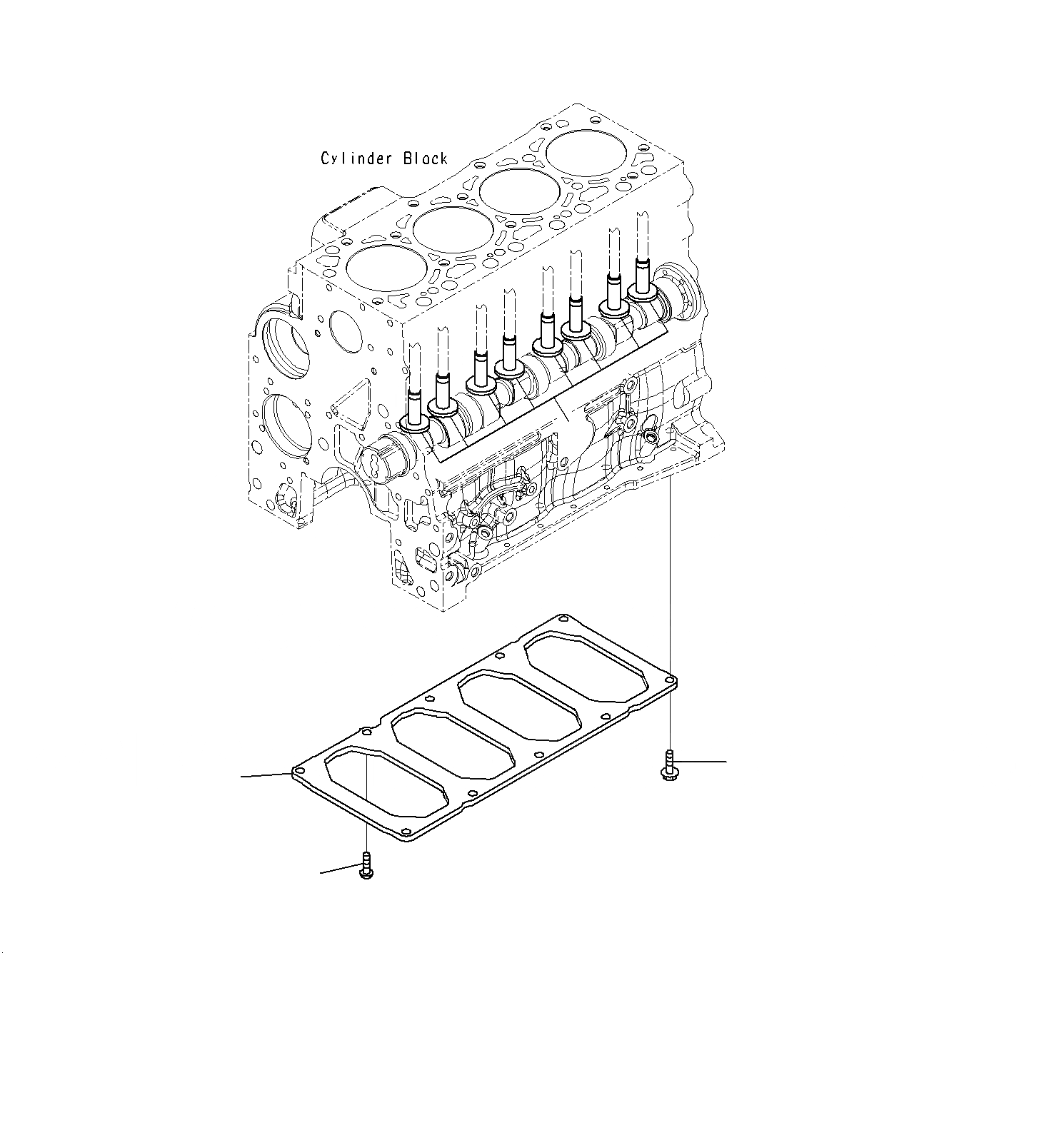
ТОЛКАТЕЛЬ И БЛОК ПЛАСТИНА (КОМПОНЕНТЫ)
№
Артикул
Название
Примечание
Количество
1
6754-41-2110
Tappet
2
6751-21-5220
Plate
3
01435-61025
Bolt
4
6754-21-1920
Выбрано товаров: 0