Качественные детали и логистика
Оригинальные и аналоговые запчасти с доставкой по России, Казахстану и Беларуси
©2022 PartSell ООО "Система" ИНН 2463123282 ОГРН 1212400004838
Центральный офис: г. Красноярск, Академика Киренского, д.87, пом.4
Телефон: 8 (800) 777-65-74 Email: zakaz@partsell.ru
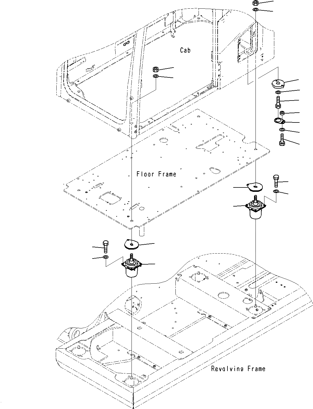
КРЕПЛЕНИЕ ПОЛАING
№
Артикул
Название
Примечание
Количество
1
20Y-53-13113
CUSHION
2
20Y-53-13121
3
01580-12016
NUT
4
01643-32060
WASHER
5
20Y-53-13130
SPACER
6
01010-81235
BOLT
7
01643-31232
8
20Y-53-13141
PLATE
9
01011-83065
10
01643-33080
11
20Y-53-13151
LOCK
12
13
14
198-43-15310
COLLAR
Выбрано товаров: 0