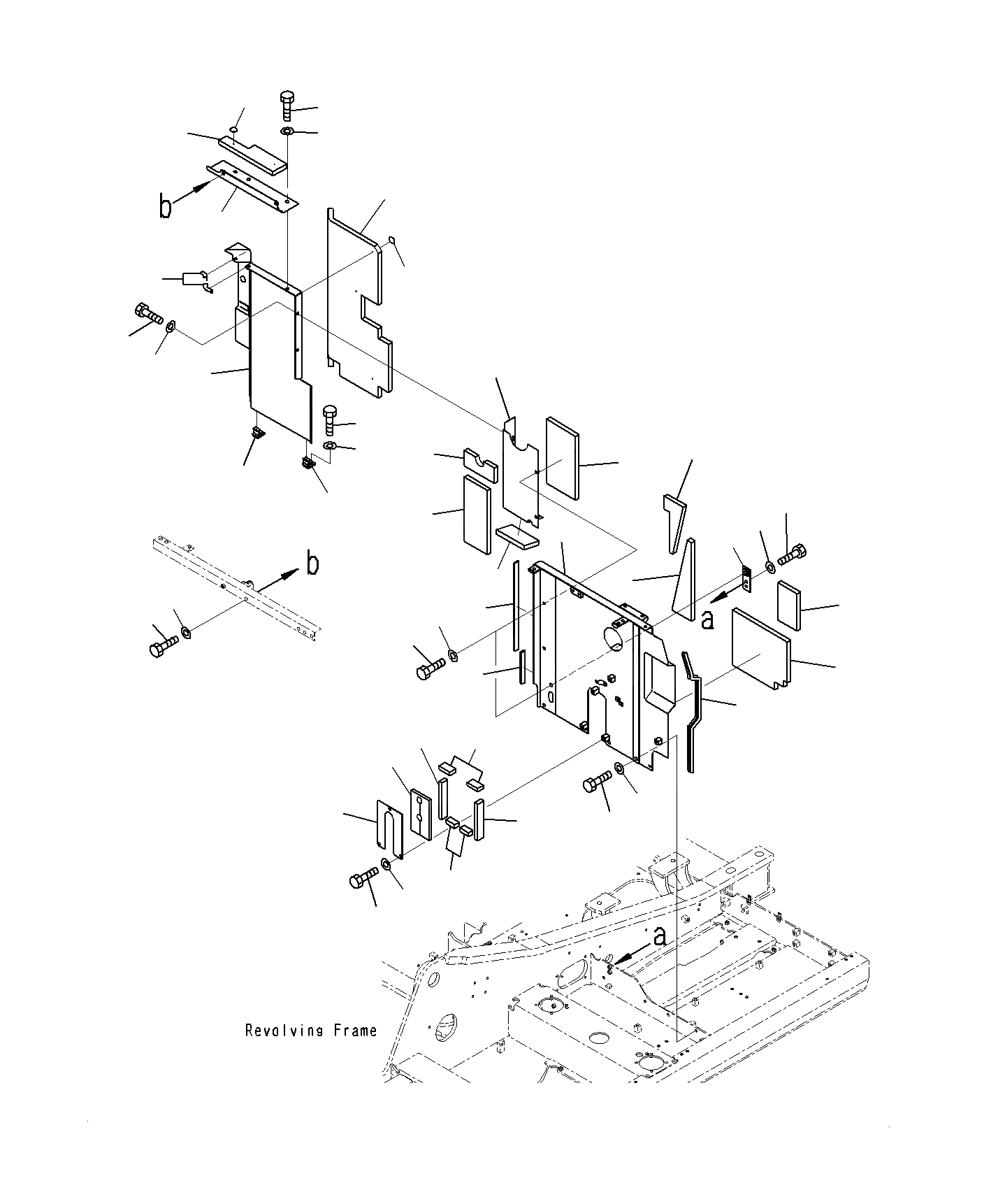
Запчасти Komatsu PC160LC-8 ПЕРЕГОРОДКА. КРЫШКА(/) M

Схема запчастей Komatsu PC160LC-8 - ПЕРЕГОРОДКА. КРЫШКА(/) M
36
37
35
38
31
34
32
33
28
23
29
30
42
7
43
24
26
41
17
41
27
18
1
16
6
25
40
10
2
39
22
21
3
5
4
8
9
12
20
11
8
19
13
15
14
FIT
1:1
100%

Артикул

Название

Примечание

Количество

|$1

21K-54-73313

COVER

1

COVER

2

21K-54-71770

SHEET

3

21K-54-74230

SHEET

4

21K-54-72230

SHEET

5

21K-54-72320

SHEET

6

21K-54-74240

SHEET

7

21K-54-74250

SHEET

8

21K-54-72461

SHEET

9

21K-54-72470

SHEET

10

21K-54-73930

SHEET

|$12

21K-54-73330

COVER

11

PLATE

12

21K-54-73780

SHEET

13

21K-54-72350

SHEET

14

01010-81230

BOLT

15

01643-31232

WASHER

16

21K-54-71780

BRACKET

17

01010-81230

BOLT

18

01643-31232

WASHER

19

01010-81230

BOLT

20

01643-31232

WASHER

21

01010-81240

BOLT

22

01643-31232

WASHER

|$25

21K-54-71920

COVER

23

COVER

24

21K-54-71680

SHEET

25

21K-54-71690

SHEET

26

21K-54-71970

SHEET

27

21K-54-72330

SHEET

28

01010-81230

BOLT

29

01643-31232

WASHER

|$33

21K-54-73371

COVER

30

COVER

31

21K-54-73761

SHEET

32

124-A6-21920

CAP

33

21K-54-73870

SHEET

|$38

21K-54-73381

COVER

34

COVER

35

21K-54-73480

SHEET

36

124-A6-21920

CAP

37

01010-81230

BOLT

38

01643-31232

WASHER

39

01010-81230

BOLT

40

01643-31232

WASHER

Выбрано товаров: 45