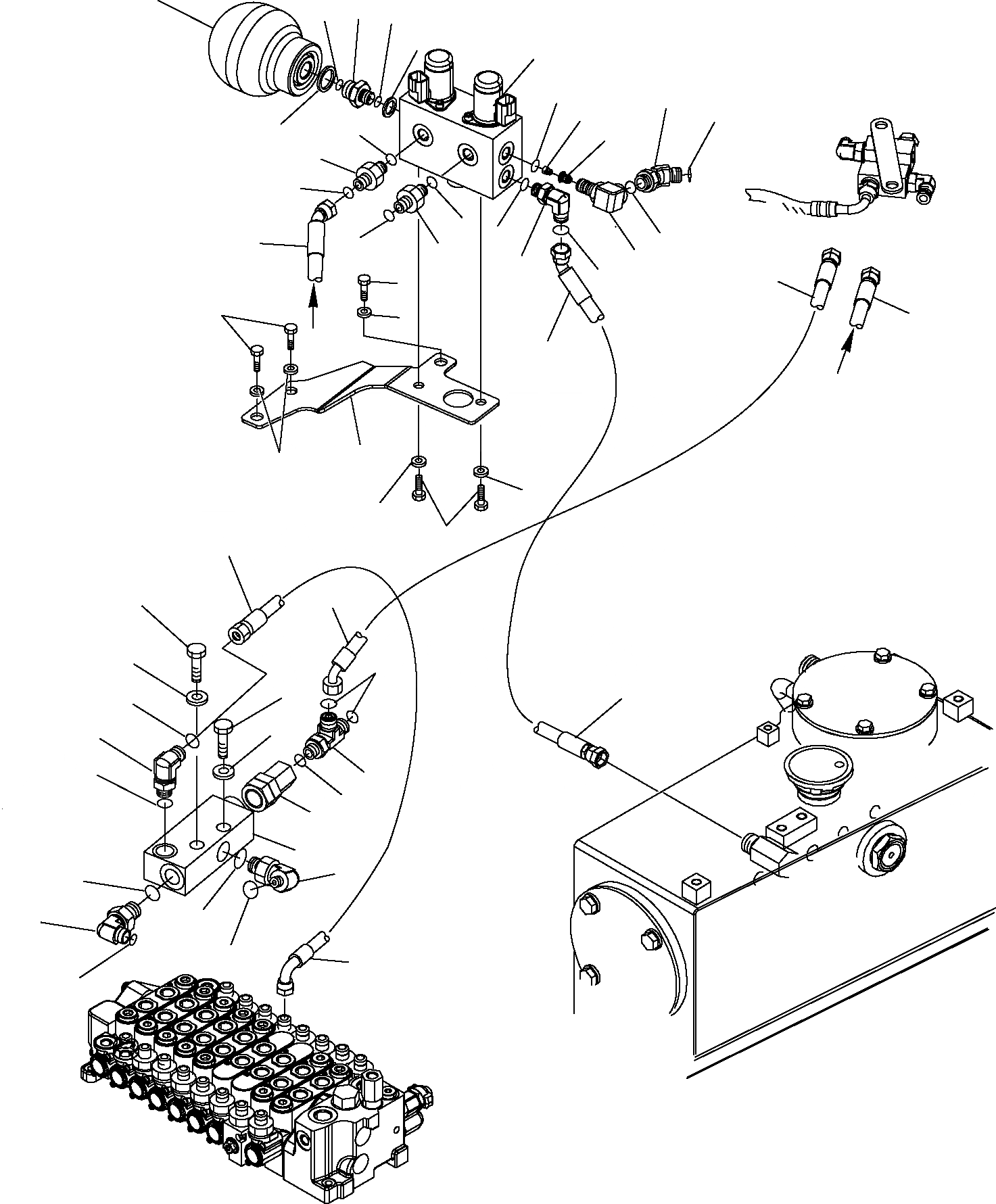
Запчасти Komatsu PC16R-2 ГИДРОЛИНИЯ (СЕРВОУПРАВЛ. ЛИНИЯ) (С ХОД INCREMENT) РАБОЧЕЕ ОБОРУДОВАНИЕ ГИДРАВЛИКА

Схема запчастей Komatsu PC16R-2 - ГИДРОЛИНИЯ (СЕРВОУПРАВЛ. ЛИНИЯ) (С ХОД INCREMENT) РАБОЧЕЕ ОБОРУДОВАНИЕ ГИДРАВЛИКА
23
24
25
26
27
4
13
14
12
15
11
28
18
17
19
18
21
19
2
16
17
10
20
42
22
8
8
9
2
1
7
9
6
6
5
3
30
42
31
34
1
30
37
31
35
36
32
33
41
29
38
39
38
39
40
3
40
FIT
1:1
100%

Артикул

Название

Примечание

Количество

1

20W-62-92421

HOSE

2

20W-62-92891

HOSE

3

22L-09-R4840

HOSE

4

22F-60-R3401

VALVE, ASSY.

5

01010-80820

BOLT

6

01643-10823

WASHER

7

20W-60-R1831

SUPPORT

8

01010-81020

BOLT

9

01643-11032

WASHER

10

22L-62-29112

ELBOW

11

22L-62-29210

FILTER

12

22L-62-29220

VALVE

13

21D-09-69960

O-RING

14

21W-62-R3920

ELBOW

15

02896-11008

O-RING

16

21D-09-69960

O-RING

17

226-09-12690

UNION

18

21D-09-69960

O-RING

19

21D-09-69810

O-RING

20

226-09-12790

ELBOW

21

21D-09-69970

O-RING

22

21D-09-69810

O-RING

23

22L-60-23310

ACCUMULATOR

24

22L-62-R4681

JOINT

25

21D-09-69890

O-RING

26

21D-09-69960

O-RING

27

22L-62-24660

GASKET

28

22L-62-24670

GASKET

29

22L-09-R4810

VALVE

30

01010-80845

BOLT

31

01643-10823

WASHER

32

226-09-12890

TERMINAL

33

21D-09-69960

O-RING

34

02896-11015

O-RING

35

226-09-12790

ELBOW

36

21D-09-69970

O-RING

37

21D-09-69810

O-RING

38

37D-09-6Z502

TERMINAL

39

21D-09-69910

O-RING

40

02896-11008

O-RING

41

37D-09-7R870

TEE

42

22L-09-R4820

HOSE

Выбрано товаров: 42