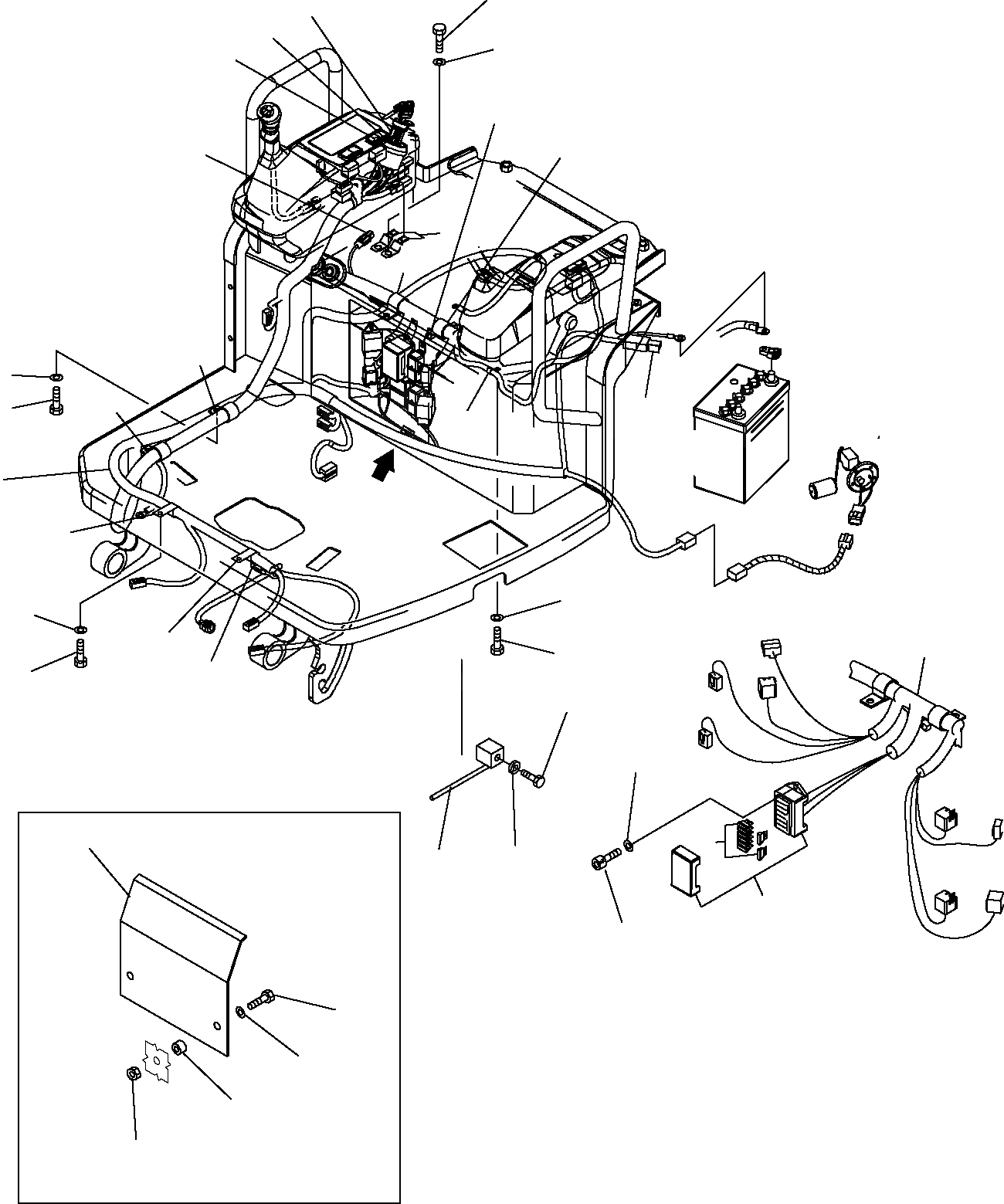
Запчасти Komatsu PC16R-2 ЭЛЕКТРИКА (ПЛАТФОРМА) КОМПОНЕНТЫ ДВИГАТЕЛЯ И ЭЛЕКТРИКА

Схема запчастей Komatsu PC16R-2 - ЭЛЕКТРИКА (ПЛАТФОРМА) КОМПОНЕНТЫ ДВИГАТЕЛЯ И ЭЛЕКТРИКА
10
17
19
11
18
3
6
3
9
6
6
8
6
7
2
20
1
12
22
14
1
12
21
13
3
24
16
5
28
25
23
4
15
15
16
27
26
a
a
FIT
1:1
100%

Артикул

Название

Примечание

Количество

1

22J-06-R6111

WIRING HARNESS

2

20T-06-81230

FUSE

3

21X-06-31530

DIODE

4

21D-06-11780

FUSE BOX

5

08041-01000

FUSE 10A

5

08041-02000

FUSE 20A

5

08041-03000

FUSE 30A

6

04434-52711

CLAMP

7

01010-81020

BOLT

8

01643-11032

WASHER

9

08193-21012

CLAMP

10

01010-81016

BOLT

11

01643-11032

WASHER

12

04434-51912

CLAMP

13

01010-81020

BOLT

14

01643-11032

WASHER

15

01252-70620

BOLT

15

01010-80635

BOLT

16

01643-10623

WASHER

17

20S-06-31130

SWITCH

18

21R-06-11130

COVER

19

08034-20536

BAND

20

04434-51010

CLAMP

21

01010-81020

BOLT

22

01643-11032

WASHER

23

22L-09-R4470

BRACKET

24

01010-81050

BOLT

24

01010-81020

BOLT

25

01643-11032

WASHER

26

01598-00608

NUT

27

3322050627

SPACER

28

22L-09-R9170

PLATE

Выбрано товаров: 32