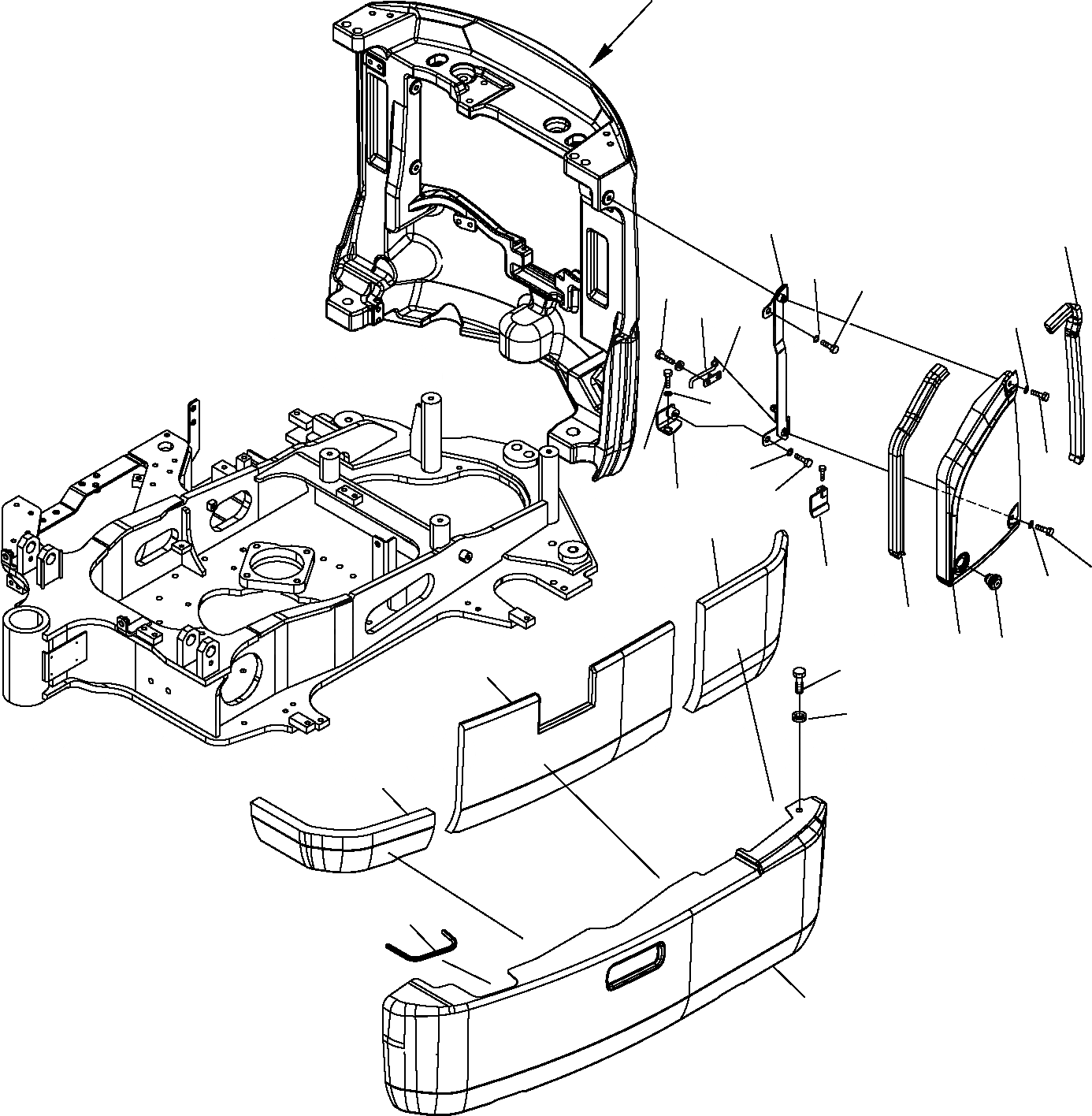
Запчасти Komatsu PC16R-2 ЛЕВ. COVER ЧАСТИ КОРПУСА И КАБИНА

Схема запчастей Komatsu PC16R-2 - ЛЕВ. COVER ЧАСТИ КОРПУСА И КАБИНА
15
13
21
20
14
22
23
10
19
18
9
21
16
20
4
9
17
10
12
8
11
6
3
7
2
5
1
A
FIT
1:1
100%

Артикул

Название

Примечание

Количество

1

20W-54-92112

COVER

2

20W-54-92140

SHEET

3

20W-54-92150

SHEET

4

20W-54-92160

SHEET

5

20W-54-92170

GASKET

6

01010-81025

BOLT

7

01643-11032

WASHER

8

22J-54-R5311

COVER

9

01010-80816

BOLT

10

01643-10823

WASHER

11

42N-54-19230

LOCK, BLOCK

12

22J-54-25322

FLOATING SEAL

13

22J-54-25331

FLOATING SEAL

14

01023-10406

SCREW

15

20W-54-92220

HINGE

16

20W-54-92120

SUPPORT

17

20W-54-92130

PLATE

18

01010-80816

BOLT

19

01643-10823

WASHER

20

01010-81020

BOLT

21

01643-11032

WASHER

22

20W-54-92230

PUSH-ROD

23

20B-54-12210

BRACKET

Выбрано товаров: 23